Essays.club - Получите бесплатные рефераты, курсовые работы и научные статьи
Поиск

Электрические цепи дискретного действия

Автор:   •  Февраль 1, 2023  •  Контрольная работа  •  335 Слов (2 Страниц)  •  271 Просмотры

Страница 1 из 2

Определим четырехзначный десятичный номер индивидуального задания студента. Первые две цифры номера задания – номер группы, а последние две – номер по журналу группы.

Группа ЗПЭ-41, номер по журналу 12, следовательно номер индивидуального задания – 4112.

Составим таблицу истинности 3-х разрядной логической функции от 4-х входных переменных так, что бы младший разряд логической функции кодировал номер индивидуального  задания в двоичном коде, средний разряд – в двоично-десятичном BCD коде, а старший разряд – в двоичном коде Грея. Каждый разряд логической функции, записанный в соответствующем коде, расположим в правой части таблицы истинности, начиная сверху с нулевого разряда кода каждого  разряда.

Число 4112 преобразуем в двоичный код:

4112 = 1000000010000 =  F0

Преобразуем в двоично-десятичный код:

4112 = 0100000100010010 = F1

Преобразуем в код Грея:

4112 = 1100000011000 = F2

И записываем их в таблицу истинности для четырех переменных ABCD и трех разрядов F2,F1,F0 логической функции:


Таблица 1

Таблица истинности1100000011000

N=

A

B

C

D

F2

F1

F0

F

0

0

0

0

0

0

0

0

0

1

0

0

0

1

0

1

0

2

2

0

0

1

0

0

0

0

0

3

0

0

1

1

1

0

0

4

4

0

1

0

0

1

1

1

7

5

0

1

0

1

0

0

0

0

6

0

1

1

0

0

0

0

0

7

0

1

1

1

0

0

0

0

8

1

0

0

0

0

1

0

2

9

1

0

0

1

0

0

0

0

10

1

0

1

0

0

0

0

0

11

1

0

1

1

1

0

0

4

12

1

1

0

0

1

0

1

5

13

1

1

0

1

0

0

0

0

14

1

1

1

0

0

1

0

2

15

1

1

1

1

0

0

0

0

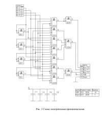
По таблице истинности запишем Булево выражение разряда функции в совершенной дизъюнктивной нормальной форме (СДНФ) и упростим их по правилам алгебры логики.

...

Скачать:   txt (4.8 Kb)   pdf (315.7 Kb)   docx (214.5 Kb)  
Продолжить читать еще 1 страницу »
Доступно только на Essays.club