Essays.club - Получите бесплатные рефераты, курсовые работы и научные статьи
Поиск

Настройка регулятора ПИД в Matlab

Автор:   •  Сентябрь 17, 2022  •  Лабораторная работа  •  533 Слов (3 Страниц)  •  487 Просмотры

Страница 1 из 3

ПЕРВОЕ ВЫСШЕЕ ТЕХНИЧЕСКОЕ УЧЕБНОЕ ЗАВЕДЕНИЕ РОССИИ

[pic 1]

МИНИСТЕРСТВО НАУКИ И ВЫСШЕГО ОБРАЗОВАНИЯ

РОССИЙСКОЙ ФЕДЕРАЦИИ

федеральное государственное бюджетное образовательное учреждение высшего образования

«САНКТ-ПЕТЕРБУРГСКИЙ ГОРНЫЙ УНИВЕРСИТЕТ»

Кафедра автоматизации технологических процессов и производств

Лабораторная работа №2

По дисциплине        Основы автоматизации технологических процессов нефтегазового производства

(наименование учебной дисциплины согласно учебному плану)[pic 2]

Тема:        Настройка регулятора ПИД в Matlab[pic 3]

Автор: студент гр.        НБ-18-1        /Куликов Г. В./

(подпись)        (Ф.И.О.)[pic 4][pic 5]

ОЦЕНКА:[pic 6]

Дата:        [pic 7]

ПРОВЕРИЛ:        доцент        /Федорова Э.Р./

         (должность)        (подпись)        (Ф.И.О.)[pic 8][pic 9][pic 10]

Санкт-Петербург

2021


        Теоретические сведения

        На реальных ОУ на производстве стоят регуляторы. Регуляторы – это физические устройства, которые позволяют в автоматическом режиме поддерживать целевые параметры на заданных (регламентных, уставочных) значениях за счет изменения положения регулирующих органов на входе в ОУ.

Самые распространенные регуляторы — это регуляторы, которые носят названия П, ПИ, ПД, ПИД-регуляторы (Пропорциональные, Пропорционально-интегральные, пропорционально-дифференциальные, Пропорционально-интегрально-дифференциалные).

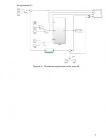
В следующей части работы необходимо собрать типовой регулятор в модели в среде Simulink. Настроить регулятор и проверить, справляется ли настроенный вами регулятор с различными возмущениями, действующими на ОУ (т.е. после завершения настройки регулятора, необходимо сымитировать ступенчатые возмущения на ОУ, рандомные шумовые возмущения и посмотреть, позволит ли ваш регулятор держать при любых возмущениях целевой параметр (температуру смеси на выходе из теплообменника) на заданном значении.

Выходной сигнал регулятора - это сигнал, идущий на регулирующий орган, например, на задвижку с горячим теплоносителем; за счет изменения расхода теплоносителя, поддерживается температура смеси на выходе из теплообменника. Данный процесс в режиме реального времени непрерывно происходит на промышленном объекте.

Назовем выходной сигнал регулятора u(t). Насколько корректно регулятор выдаст на каждом шаге своей работы u(t) зависит от трех заранее настроенных параметров: Kp, Ti, Td:

 – коэффициент передачи П-части регулятора; [pic 11]

...

Скачать:   txt (6.5 Kb)   pdf (399.1 Kb)   docx (782.6 Kb)  
Продолжить читать еще 2 страниц(ы) »
Доступно только на Essays.club