Essays.club - Получите бесплатные рефераты, курсовые работы и научные статьи
Поиск

Моделювання електромеханічних систем

Автор:   •  Май 10, 2018  •  Курсовая работа  •  701 Слов (3 Страниц)  •  565 Просмотры

Страница 1 из 3

                                Міністерство освіти і науки України

     НАЦІОНАЛЬНИЙ УНІВЕРСИТЕТ «ОДЕСЬКА МОРСЬКА АКАДЕМІЯ»
                     

    Кафедра «ЕО і ЕС»




                                                                                 
                           
                       
РОЗРАХУНКОВО-ГРАФІЧНА РОБОТА

                                                      З дисципліни:
              «Моделювання суднового електрообладнання і засобів автоматики»

                          ТЕМА: Моделювання електромеханічних систем

Виконав: курсант Чабан Сергій Олександрович __________ група: №3351
Перевірив: Бушер В.В.__________

                                                         ОДЕСА-2017

Таблиця. 5 Варіант

початкові дані:

В

440

А

15

Ом

2,94

Гн

0.14

Тμ

c

0.0045

Ninterv

-

4

РС

-

П І

J

кг*м2

0.81

wн

с-1

75

Мс

Р-0.7 Мн

Режими

П Т

[pic 1]

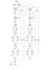
Рис. 1. Структурна схема двоконтурної системи управління.

           
Розрахунок параметрів об’єкту керування

Конструкційний коефіцієнт двигуна:

1) [pic 2]
Коефіцієнт підсилення тиристорного перетворювача:
2)
[pic 3]
Коефіцієнт зворотного зв’язку за струмом:
3)
[pic 4]

Коефіцієнт зворотного зв’язку за швидкістю:
4)
[pic 5]

Оберемо такий регулятор струму (РТ), який забезпечує налаштування контуру струму на модульний оптимум:
[pic 6]
Необхідний для цього регулятор є пропорційно-інтегральним (ПІ) з передавальною функцією:

[pic 7]

Регулятор швидкості (РС) оберемо такий, який забезпечує налаштування контуру швидкості на модульний оптимум з урахуванням підпорядкованого контуру струму:
[pic 8]
Необхідний для цього регулятор є пропорційним (П):
[pic 9]
При налаштуванні контуру швидкості на симетричний оптимум використовують пропорційно-інтегральний регулятор (ПІ):
[pic 10]

...

Скачать:   txt (5.8 Kb)   pdf (647.2 Kb)   docx (337.2 Kb)  
Продолжить читать еще 2 страниц(ы) »
Доступно только на Essays.club