Essays.club - Получите бесплатные рефераты, курсовые работы и научные статьи
Поиск

Исследование индукционных реле типа ДСШ и ДСР

Автор:   •  Февраль 28, 2023  •  Лабораторная работа  •  311 Слов (2 Страниц)  •  310 Просмотры

Страница 1 из 2

ФЕДЕРАЛЬНОЕ АГЕНТСТВО ЖЕЛЕЗНОДОРОЖНОГО ТРАНСПОРТА

Федеральное государственное бюджетное образовательное учреждение высшего образования

«Петербургский государственный университет путей сообщения

Императора Александра I»

(ФГБОУ ВО ПГУПС)

Факультет «Автоматизация и интеллектуальные технологии»

Кафедра «Автоматика и телемеханика на железных дорогах»

Лабораторная работа №5

по дисциплине «Теоретические основы автоматики и телемеханики»

на тему: «Исследование индукционных реле типа ДСШ и ДСР»

Обучающийся

Курс 3

Группа АТ-901

форма обучения – Очная

 

__________________

подпись, дата

Грищенко Д.А.

Руководитель

__________________

подпись, дата

Санкт-Петербург

2021

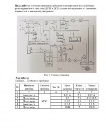
Цель работы: изучение принципа действия и конструкции индукционных реле переменного тока типа ДСШ и ДСР, а также исследование из основных параметров и векторной диаграммы.

[pic 1]

Рис. 1 Схема установки

 Ход работы:

Таблица 1. Сведения о приборах

Название прибора

Система прибора

Зав. №

Цена деления

Класс точности

Предел измерения

1

2

3

4

5

6

7

1

Амперметр

МЭС

0,01 А

2,5

0,03 А

2

Вольтметр

1 В

2,5

15/150 В

3

Вольтметр

0,1 В

1,5

1,5 В

4

Амперметр

0,1 А

1,5

1,5 А

5

Вольтметр

20 В

2

300 В

Задание 1

Снятие зависимости угла между током путевого элемента и напряжением местного элемента. Эта зависимость приведена в таблице 2.

Таблица 2 . Снятие зависимости Uпп = f (φ0) и зависимости Iпп = f (φ0)

Тип реле

Активное R,

Ом

U,

В

Путевые обмотки

Измеряемые углы сдвига фаз между векторами, φ°

МО

ПО

154

159

162

164

166

169

174

180

510

59

220

I, мА

0,022

0,017

0,019

0,0165

0,0165

0,0178

0,02

0,022

ДСШ, 12

U, В

125

95

108

93

92

96

108

116

Задание 2

Измерение напряжения и тока срабатывания реле, напряжения и тока полного подъема сектора реле и напряжения отпускания сектора реле в цепи путевого элемента (ПЭ).

Таблица 3 Характеристики реле

Тип реле

Местная обмотка

Путевая обмотка

U, В

I, А

Отпадание

Прямой подъем

Полный подъем сектора

U, В

I, А

U

I, А

U, В

I, А

ДСШ, 12

170

0,072

9

0,016

9,1

0,0165

13,9

0,026

9

0,016

10

0,018

14

0,026

...

Скачать:   txt (5.6 Kb)   pdf (1.1 Mb)   docx (1.7 Mb)  
Продолжить читать еще 1 страницу »
Доступно только на Essays.club