Essays.club - Получите бесплатные рефераты, курсовые работы и научные статьи
Поиск

Техническое обслуживание системы VHF ВС Боинг 737

Автор:   •  Январь 8, 2021  •  Курсовая работа  •  2,716 Слов (11 Страниц)  •  756 Просмотры

Страница 1 из 11

МИНИСТЕРСТВО НАУКИ И ВЫСШЕГО ОБРАЗОВАНИЯ

РОССИЙСКОЙ ФЕДЕРАЦИИ

Федеральное государственное бюджетное образовательное учреждение высшего образования

«Сибирский государственный университет науки и технологий

имени академика М.Ф. Решетнева»

Техническое обслуживание системы VHF ВС Боинг 737

 

Курсовая работа

 

Учебный предмет: Техническая эксплуатация авионики

 

Выполнил: студент гр. МАП19-01 Юркевич А.А.

Проверил: доцент Тюпкин М.В.

Красноярск

2020

ОГЛАВЛЕНИЕ

ПЕРЕЧЕНЬ СОКРАЩЕНИЙ И ОБОЗНАЧЕНИЙ        3

ВВЕДЕНИЕ        4

СИСТЕМА VHF        5

СХЕМЫ VHF        12

ТЕХНИЧЕСКОЕ ОБСЛУЖИВАНИЕ VHF        18

СПИСОК ИСПОЛЬЗУЕМОЙ ЛИТЕРАТУРЫ        20


ПЕРЕЧЕНЬ СОКРАЩЕНИЙ И ОБОЗНАЧЕНИЙ

  1. ГА – гражданская авиация
  2. ВС – воздушное судно
  3. ВЧ – высокие радиочастоты
  4. ЛА – летательный аппарат

 


ВВЕДЕНИЕ

Авиационное оборудование радиосвязи предназначено для обеспечения двухсторонней радиосвязи между экипажем самолета и наземными пунктами управления, между экипажами нескольких самолетов в полёте, для внутрисамолётной телефонной связи между членами экипажа, оповещения пассажиров и подачи сигнала бедствия с места приземления или приводнения.

 Радиостанции авиационного диапазона отличает исключительная надежность при самых тяжелых условиях эксплуатации. Эти станции способны работать при пониженном атмосферном давлении, высокой или низкой температуре, им не страшны удары и вибрация. Радиостанции очень просты в использовании, что очень важно при их применении профессионалами, при этом за внешней простотой скрывается возможность использования широкого набора специальных функций.


СИСТЕМА VHF

Система радиосвязи

Назначение системы состоит в обеспечении всенаправленной речевой связи типа воздух-воздух или воздух-земля при сравнительно небольшой дальности. Основное использование – в управлении воздушным движением с некоторыми альтернативными видами использования, такими, как функциональная связь компании.

Описание системы

Система работает в диапазоне аэрорадиосвязи (от 118 до 136 МГц) с использованием коммутации и входов микрофона от телефонной переговорной системы экипажа и обеспечением выходов аудиосигнала к телефонной переговорной системе и системе SELCAL.

Система BITE (встроенное оборудование для проверки) проводит самотестирование и слежение за функциями приемопередатчика.

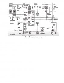
[pic 1]

Рис. 1. Система радиосвязи

Типовая схема радиосвязи

Система радиосвязи состоит из панели управления, приемопередатчика, антенны и соответствующей проводки.

Функциональные интерфейсы

Панель управления обеспечивает выбор частот и данные состояний на шину ARINC 429.

Телефонная переговорная система обеспечивает линию управления РТТ и выход аудиосигнала микрофона для речевой передачи.

При работе совместно с системой ACARS, блок управления ACARS обеспечивает данные выбора частоты, данные тоновых сигналов, выбора режимов и коммутации передачи данных приемопередатчика.

Передаваемые и полученные радиочастотные сигналы идут из антенны и к антенне по коаксиальной линии.

Аудиосигнал приемника направляется в телефонную переговорную систему экипажа для речевой связи и на декодер SELCAL для создания сигналов SELCAL, а также на блок управления для интерпретации тонового сообщения.

Аналоговый дискретный сигнал посылается на систему регистратора полетных данных для определения процесса коммутации приемопередатчика.

...

Скачать:   txt (41.4 Kb)   pdf (643.1 Kb)   docx (1.2 Mb)  
Продолжить читать еще 10 страниц(ы) »
Доступно только на Essays.club