Essays.club - Получите бесплатные рефераты, курсовые работы и научные статьи
Поиск

Негізгі логикалық элементтерді зерттеу

Автор:   •  Ноябрь 20, 2020  •  Лабораторная работа  •  638 Слов (3 Страниц)  •  797 Просмотры

Страница 1 из 3

Коммерциялық емес акционерлік қоғам

«Ғ.Ж.ДӘУКЕЕВ атындағыАЛМАТЫ ЭНЕРГЕТИКА ЖӘНЕ БАЙЛАНЫС УНИВЕРСИТЕТІ»

“Электр машиналары және электр жетегі’’ кафедрасы

№3зертханалық жұмыс

Тақырыбы:Негізгі логикалық элементтерді зерттеу

Мамандығы: Электроэнергетика

Орындаған: Құдайберген Бекзат   Тобы: Ээк 19-19

Қабылдаған:Жаркымбекова М.Б.        

_________   ________________ «____» ________________2020 жыл                                                                                    

(бағасы)                  (қолы)

Алматы 2020

№3. Негізгі Логикалық элементтерді зерттеу

3.1 Жұмыстың мақсаты: Олардың базасында құрылған негізгі логикалық элементтер мен комбинациялық құрылғыларды зерттеу.

3.2. Әдістемелік нұсқаулар

3.2.1 Электрондық кілттермен пайдалана отырып, зерттелетін құрылғылардың ақиқаттық кестесін құру, логикалық функцияны анықтау және оны операциялар арқылы жазу және немесе емес.

3.2.2 Зертханалық жұмыс барысында элементтер ЖӘНЕ, НЕМЕСЕ, ЖӘНЕЖОҚ, НЕМЕСЕ-ЖОҚ, НЕМЕСЕ алып тастайтын, НЕМЕСЕ-ЖОҚ алып тастайтын, үш разрядты құрылғыны шындыққа тексеру, екі разрядты сандарды салыстыру құрылғысы және екілік бір реттік сумматор зерттеледі.

3.2.3 Жұмыс Electronics Workbench жүйесінде орындалады. Зерттелетін құрылғылардың сұлбалары (3.1-3.7 суреттер.), λ белгілі бір функцияларды орындайтын логикалық элементтердің қосылыстары түрінде. Модельдері 3.1-

3.7 суретте көрсетілген логикалық элементтер мен құрылғылар SA1-SA4 кілттерінің логикалық сигналдарын (0 немесе 1) олардың кіруіне беру кезінде зерттеледі. Зерттеу схема қосылған кезде жүргізіледі. Тиісті кілттен берілетін сигнал деңгейі жылжымалы контактінің жағдайы бойынша (жоғары – 1, төмен – 0), шығыс сигналының деңгейі – hl1 және HL2 индикаторларының шамдары бойынша анықталады. Тоғыз құрылғыға зерттеу жүргізу қажет.

3.2.4 Зерттелетін сұлбамен файлды ашу. Сұлбаны қосу. SA1-SA4 кілттерін, зерттелетін құрылғылардың ақиқаттық кестелерін толтыру ( 3.1-3.4 кестелер), логикалық функцияны анықтау және оны операциялар арқылы жазу ЖӘНЕ, НЕМЕСЕ, ЖОҚ.

3.2.5 Құрылғыға кіретін әрбір логикалық элементтің түрін анықтау.

3.2.6 Зертханалық жұмыс барысында элементтер ЖӘНЕ, НЕМЕСЕ, немесе-екі санды салыстыру құрылғысы және екілік бір реттік сумматор зерттеледі.

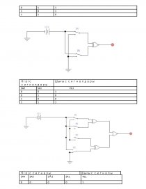
[pic 1]

Кіріс сигналдары

Шығыс сигналдары

SA2

SA1

                        HL1

0

0

0

0

1

1

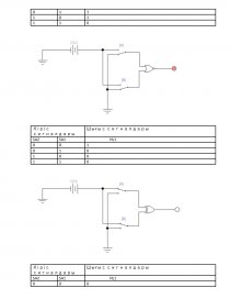
[pic 2]

Кіріс сигналдары

Шығыс сигналдары

SA2

SA1

                        HL1

0

0

0

0

1

1

1

0

1

1

1

1

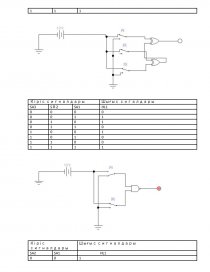
[pic 3]

Кіріс сигналдары

Шығыс сигалдары

SA3

SА2

SA1

HL1

0

0

0

0

0

0

1

1

0

1

0

1

0

1

1

0

1

0

0

1

1

0

1

0

1

1

0

0

1

1

1

1

[pic 4]

Кіріс сигналдары

Шығыс сигналдары

SA2

SA1

                        HL1

0

0

1

0

1

1

1

0

1

1

1

0

[pic 5]

Кіріс сигналдары

Шығыс сигналдары

SA2

SA1

                        HL1

0

0

1

0

1

0

1

0

0

1

1

0

[pic 6]

Кіріс сигналдары

Шығыс сигналдары

SA2

SA1

                        HL1

0

0

0

0

1

1

1

0

1

1

1

0

[pic 7]

Кіріс сигналдары

Шығыс сигналдары

SA2

SA1

                        HL1

0

0

1

0

1

0

1

0

0

1

1

1

...

Скачать:   txt (7.1 Kb)   pdf (165.8 Kb)   docx (25 Kb)  
Продолжить читать еще 2 страниц(ы) »
Доступно только на Essays.club