Essays.club - Получите бесплатные рефераты, курсовые работы и научные статьи
Поиск

Ақиқаттық кестелерін құру және логикалық функцияларды моделдеу

Автор:   •  Февраль 23, 2024  •  Лабораторная работа  •  381 Слов (2 Страниц)  •  429 Просмотры

Страница 1 из 2

Қазақстан Республикасының Білім және Ғылым министрлігі

Коммерциялық емес ашық акционерлік қоғам

«Ғұмарбек Дәукеев атындағы Алматы Энергетика және Байланыс»           университеті

«Электр энергетика және электр техника» институты 

«»

[pic 1]

«ЦИФРЛЫҚ БАСҚАРЫЛАТЫН ЖҮЙЕНІҢ ЛОГИКАЛЫҚ НЕГІЗДЕРІ» пәні бойынша

№ 2 Зертханалық жұмыс  

Тақырыбы: Ақиқаттық кестелерін құру және логикалық функцияларды моделдеу

Мамандығы: 6B07101 - «Электр энергетикасы»

Орындаған: Сарсенгалиев Талгат

Тобы: ЭЭк-21-5

Қабылдаған: Бестерекова А

_______  ___________ «____»_____________2024 ж

  (бағасы)            (қолы)

Алматы, 2024

2 Зертханалық жұмыс №2. Ақиқаттық кестелерін құру және логикалық функцияларды моделдеу

2.1 Жұмыстың мақсаты

Логикалық операцияларды және оларды түрлендіру ережелерін зерттеу. Логикалық вентильдерден тұратын сандық сұлбаларды моделдеу бойынша практикалық жұмыс дағдыларын алу. Логикалық құрылғы жұмысының логикасын сипаттаудың әртүрлі тәсілдерімен – ақиқаттық кестелерімен, уақыт диаграммаларымен, аналитикалық функциялармен, сандық сұлбалармен танысу.

2.2 Зертханалық жұмысқа тапсырма

Екі айнымалыдан оқытушы берген булевалық функцияға арналған:

2.2.1 берілген булевалық функциясына арналған Ақиқат кестесін (Microsoft Excel ортасында) құру (ақиқат кестесін қандай да бір оңайлатусыз құру, тек кіріктірілген логикалық функцияларды пайдалана отырып, ЖӘНЕ, НЕМЕСЕ, ЖОҚ, ЕГЕР).

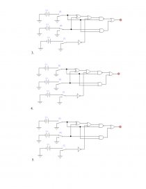
2.2.2 Бұл логикалық функцияны Electronics Workbench ортасында модельдеу. Тиісті сандық сұлбаны және уақыт диаграммаларын құру.

2.2.3 Басқа базиске көшу немесе жеңілдету мақсатында берілген логикалық өрнектерді түрлендіру.

2.3 Әдістемелік нұсқаулар

Берілген логикалық функция:

𝑌=𝑋1∙𝑋2̅̅̅̅+𝑋1̅̅̅̅∙𝑋2.

2.3.1 Берілген теңдеу ыңғайлы болу үшін екіге бөлеміз:

𝑌=𝑌1+𝑌2;

𝑌1=𝑋1∙𝑋2̅̅̅̅; 𝑌2=𝑋1̅̅̅̅∙𝑋2.

Теңдеулерді MSExcel тілінде жазамыз:

Y1 = ЖӘНЕ(X1;ЖОҚ(X2));

Y2 = ЖӘНЕ(ЖОҚ(X1);X2);

Y = НЕМЕСЕ(Y1;Y2).

Ескертулер

1 Жалпы, мұндай қарапайым логикалық функция үшін біз формуланы

MSExcel тілінде жалпы түрде жаза алар еді, Y1 = НЕМЕСЕ(ЖӘНЕ(X1;ЖОҚ(X2));ЖӘНЕ(ЖОҚ(X1);X2))), бірақ бұл күрделі логикалық функция жағдайында алынған нәтижелерді тексеруді және талдауды қиындатады.

2 Логикалық құрылыстарда жай пайдалану нұсқаулығымен Excel «формулалар» → «логикалық» ашылмалы мәзірін пайдалану ыңғайлы.

...

Скачать:   txt (6 Kb)   pdf (317 Kb)   docx (1.3 Mb)  
Продолжить читать еще 1 страницу »
Доступно только на Essays.club