Essays.club - Получите бесплатные рефераты, курсовые работы и научные статьи
Поиск

Оптимизация размещения цеховых П/С

Автор:   •  Октябрь 23, 2022  •  Лабораторная работа  •  403 Слов (2 Страниц)  •  297 Просмотры

Страница 1 из 2

Лабораторная работа № 2

Оптимизация размещения цеховых  П/С

Цель работы: Освоить применение пакета САПР при проектировании внутризаводского электроснабжения.

Таблица 1 – Исходные данные к лабораторной работе №2

Экономичный вариант

№ 1

Количество подстанций

6

Расчётные затраты на ТП

550621 руб/год

Общие затраты

54415 руб/год

Таблица 2 - Выбор оптимального числа и мощности цеховых трансформаторов

№ ТП

SТП, кВА

Количество

трансформаторов

Sн тр-ра,

кВА

№ питаемых цехов

1

2512,47

2

1000

1

2

1840,24

2

1600

2

3

11264,3

2

2500

3

4

2937,9

2

1000

4

5

4339,74

3

1600

5

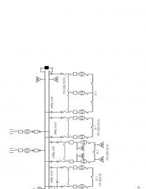
Оптимизация сети

При выполнении модуля ОС находится оптимальная топология распределительной межцеховой сети. Последовательно используются алгоритмы:

1) минимальной длины;

2) алгоритм зон;

3) алгоритм динамического программирования.

[pic 1]

Рисунок 1 – Алгоритм минимальной длины

Общие затраты - 5425 руб/ год

[pic 2]

Рисунок 2 – Алгоритм зон

Общие затраты - 7373 руб/ год

[pic 3]

Рисунок 3 - Алгоритм динамического программирования

Общие затраты - 5521 руб/год

Расчёт показал, что оптимальным по критерию минимальных общих расчётных затрат является вариант, выбранный по алгоритму динамического программирования, также данная схема является наиболее надёжной.

Оптимизация размещения компенсирующих устройств

Таблица 3 – Оптимальный вариант выбора компенсирующих устройств

№ узла

Низковольтные БК

Высоковольтные БК

Мощность синхронных двигателей

1

0

0

1317

2

407

0

0

3

0

0

0

4

0

0

0

5

0

0

0

6

0

1460

0

Конечные затраты – 14123,26 руб/год

Расчет сечения проводников

Исходные данные для расчёта:

- провода марки АС;

- длина линии l = 12 км;

- экономическая плотность тока Jэк = 1 А/мм2;

- номинальное напряжение Uном = 110 кВ;

- способ прокладки кабеля: в траншее.

Таблица 4 - Расчет оптимальных сечений кабельных линий

№ КЛ

Передаваемая мощность, кВА

Ток КЛ,

А

Кол-во кабелей по нагреву, шт

Сечение,

мм2

Затраты,

тыс. руб

1

10616,2

584,4

4

240

1004,38

2

2280,3

125,5

1

150

365,34

3

2942,9

162

1

240

136,5

4

4356,2

240,3

2

185

397,17

5

2156

118,7

1

185

143,49

Расчёт воздушных ЛЭП 110кВ

1.По нагреву: кол-во проводов в фазе – 1, сечение F = 50 мм2;

2. По экономической плотности тока: кол-во проводов в фазе – 1, сечение

F = 95 мм2;

3. По короне: кол-во проводов в фазе – 1, сечение F = 70 мм2.

Окончательно принимается 2 вариант:

-  кол-во проводов в фазе – 1;

- сечение F = 95 мм2;

...

Скачать:   txt (6.8 Kb)   pdf (592.6 Kb)   docx (508.8 Kb)  
Продолжить читать еще 1 страницу »
Доступно только на Essays.club