Essays.club - Получите бесплатные рефераты, курсовые работы и научные статьи
Поиск

Исследование резонанса напряжений

Автор:   •  Март 31, 2022  •  Лабораторная работа  •  258 Слов (2 Страниц)  •  572 Просмотры

Страница 1 из 2

УФИМСКИЙ ГОСУДАРСТВЕННЫЙ АВИАЦИОННЫЙ ТЕХНИЧЕСКИЙ УНИВЕРСИТЕТ  
                                                                                  

Кафедра ТОЭ 

 

   

Лабораторная работа № 4 

Исследование резонанса напряжений 

 

Выполнил:

студент группы Э-219       

Каримов А. Ф.

Проверил:

Чечулина И.Е.

Уфа-2019

Цель работы: изучение резонанса напряжений в электрической цепи, содержащей последовательно соединенную индуктивную катушку и конденсатор.

Приборы и оборудование: электронный вольтметр, встроенный в «Блок

автотрансформатора»; электронные вольтметры «Блока измерительных

приборов»; электронный ваттметр «Блока измерительных приборов»; переменный резистор 220 Ом 50 Вт «Блока нагрузок»; катушка с регулируемой индуктивностью из «Блока индуктивностей»; батарея конденсаторов «Блока нагрузок».

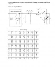
Схема исследуемой цепи:

[pic 1]

[pic 2]

[pic 3]

Формулы и примеры расчетов:

[pic 4]

[pic 5]

[pic 6]

Векторные диаграммы напряжений (цена деления 2В):

[pic 7][pic 8][pic 9]

Вывод: Из графика видно, что с увеличением ёмкости конденсатора до момента резонанса угол сдвига фаз между током и напряжением уменьшается, ток увеличивается, напряжение на активном элементе возрастает, сохраняется ёмкостной характер цепи ([pic 10]). В момент резонанса угол [pic 11], ток имеет максимальное значение, напряжение на конденсаторе приблизительно совпадает с напряжением на катушке. После резонанса цепь носит индуктивный характер, ток падает, напряжение на активном элементе падает.

...

Скачать:   txt (2.5 Kb)   pdf (230.6 Kb)   docx (218.6 Kb)  
Продолжить читать еще 1 страницу »
Доступно только на Essays.club