Essays.club - Получите бесплатные рефераты, курсовые работы и научные статьи
Поиск

Розроблення прикладного програмного забезпечення для реалізації заданного управління для МПК Modicon M340

Автор:   •  Май 19, 2021  •  Курсовая работа  •  1,484 Слов (6 Страниц)  •  449 Просмотры

Страница 1 из 6

МІНІСТЕРСТВО ОСВІТИ І НАУКИ УКРАЇНИ

НАЦІОНАЛЬНИЙ УНІВЕРСИТЕТ ХАРЧОВИХ ТЕХНОЛОГІЙ

                                                                                                         кафедра АКІТ

Курсовий Проект

з дисципліни

"Контролери та їх програмне забезпечення"

на тему:

"Розроблення прикладного програмного забезпечення для реалізації заданного управління для МПК Modicon M340 "

                                                                                

Виконав:

                                                                                           Студент групи АК-4-2

                                                                                           Бачикський Є.С.

Керівник

курсового проекту:

Клименко О.М.

Київ  2020

Зміст

Вступ...................................................................................................................3

Блок-схема алгоритму роботи об'єкта автоматизації.....................................4

Схема автоматизації……………….………………………………….….……5

Конфігурування МПК Modicon M340…..………………….................……...6

Таблиця змінних відповідно до схем підключення…………………………7

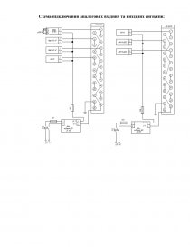
Схеми підмикання датчиків і виконавчих механізмів до МПК Modicon M340………………………………………………………………….…………8

Конфігурування процесорного модуля………………………………………10

Конфігурування модуля дискретних входів………………………………….11

Конфігурування модуля дискретних виходів………………..………………11

Конфігурування модуля аналогових входів……………….…………………12

Конфігурування модуля аналогових виходів…………………………….…..12

Створення змінних програми………………………………………………….12

Функціональні блоки………………………………………………………..…12

Прикладна програма для контролера Modicon M340…..…………………….13

Копія екрану Runtime Screen……………………………………………………17

Висновок…………………………………………………………..……………..17

Список використаної літератури………………………………………...……..18

Вступ

Незважаючи на досить складну економічну ситуацію в Україні, в промисловості продовжується процес технічної модернізації технологічного обладнання і впровадження сучасних систем керування виробництвом. Це викликане насамперед тим, що без цього неможливо підвищити якість продукції і знизити витрати на її виробництво.

Сучасний стан розвитку систем автоматизації характеризується широким впровадженням різноманітних мікропроцесорних засобів автоматизації: інтелектуальних датчиків, пристроїв керування, функціональних блоків, засобів відображення інформації, операторських панелей і т.і.

Особливе місце в цьому переліку займають промислові мікропроцесорні контролери. Розпочавши свою історію на початку 70-х років XX ст., вони за короткий термін часу завоювали широку популярність серед спеціалістів у галузі автоматизації. Це пояснюється високою надійністю, відносною простотою програмування та експлуатації, розширенням функціональних можливостей систем керування. Вони стали основою впровадження нового покоління систем автоматизації - комп'ютерно-інтегрованих систем керування.

Незважаючи на те що технічне та програмне забезпечення таких систем розвивається досить швидко, в Україні нагромаджений досить багатий досвід їх впровадження, про що свідчить аналіз результатів.

В даний час основна маса вітчизняних виробництв потребують автоматизації в тому чи іншому вигляді. В сучасних умовах ринку виживають ті, хто найбільш конкурентно здатні, хто вміє організувати свої виробничі процеси з найбільшою ефективністю і найменшими затратами. Комп'ютеризовані системи все більше охоплюють виробничий сектор, на робочих місцях операторів починають з'являтися прості та ефективні засоби для оперативного контролю та управління технологічними процесами.

Схема автоматизації:

Вибір технічних засобів.

...

Скачать:   txt (17.1 Kb)   pdf (452.9 Kb)   docx (303.5 Kb)  
Продолжить читать еще 5 страниц(ы) »
Доступно только на Essays.club