Essays.club - Получите бесплатные рефераты, курсовые работы и научные статьи
Поиск

Логические элементы ТТЛ

Автор:   •  Декабрь 12, 2021  •  Лабораторная работа  •  833 Слов (4 Страниц)  •  464 Просмотры

Страница 1 из 4

Министерство науки и высшего образования Российской Федерации

Федеральное государственное бюджетное образовательное учреждение высшего образования

«ТОМСКИЙ ГОСУДАРСТВЕННЫЙ УНИВЕРСИТЕТ СИСТЕМ УПРАВЛЕНИЯ И РАДИОЭЛЕКТРОНИКИ» (ТУСУР)

Кафедра комплексной информационной безопасности электронно-вычислительных систем (КИБЭВС)

ЛОГИЧЕСКИЕ ЭЛЕМЕНТЫ ТТЛ

Отчет по лабораторной работе №2

по дисциплине «Электроника и схемотехника»

Вариант №11

Студент гр. 720-2

[pic 1]   Ященко Г.В.

07.12.2021

Руководитель

Доцент кафедры КИБЭВС

                     ______ Мальчуков А.Н.

07.12.2021

Томск 2021


ЦЕЛЬ РАБОТЫ

Цель работы: изучение работы логических элементов ТТЛ.


ПОСТАНОВКА ЗАДАЧИ

Собрать стенд для исследования ЛЭ НЕ как на рис. 7 методического пособия для диода 1N4150, транзистора 2N2924 и номинала сопротивления R4 (100 Ом) на схеме. Измерить ток утечки на входе Iу и напряжение выхода Uвых при всех положениях ключа.

Собрать стенд для исследования ЛЭ И-НЕ как на для диода 1N4150, транзистора 2N2924, номинала сопротивления R4 100 Ом на схеме и количества входов функции (3И- НЕ, 2ИЛИ-НЕ). Измерить ток утечки на входе Iу и напряжение выхода Uвых при всех положениях ключей.

Повторить действия для логической функции ИЛИ-НЕ согласно варианту задания.

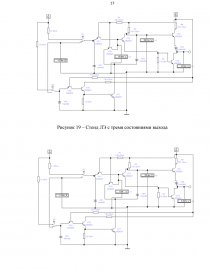
Повторить пункт 1: для составного транзистора на выходе по схеме Дарлингтона, для схемы с тремя состояниями выхода, для схемы с открытым коллектором, для схемы с открытым коллектором подсоединив к точке out источник питания +5 В через сопротивление 1 кОм.

Написать выводы.


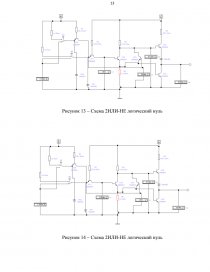
2 РАБОТА СО СХЕМАМИ ЛЭ ТЛЛ

2.1 Исследование схемы ЛЭ НЕ ТТЛ

Для исследования работы ЛЭ НЕ и измерения электрических параметров необходимо использовать стенд как на рисунке 1.

[pic 2]

Рисунок 1 – Схема ЛЭ НЕ ТТЛ

Исследуем схему и измеряем ток утечки Iу. Данные представлены в таблице 1 и подкреплены схемами на рисунках 2,3.

[pic 3]

Рисунок 2 – Схема ЛЭ НЕ ТТЛ в положении логического нуля

[pic 4]

Рисунок 3 – Схема ЛЭ НЕ ТТЛ в положении логической единицы

Таблица 1 – Результаты измерений

X

Iу, Ма

Uвых, В

Состояние выхода

0

-1,192

3,937

1

1

0

0,006819

0

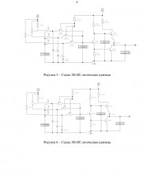
2.2 Исследование стенда ЛЭ 3И-НЕ

Для исследования ЛЭ 3И-НЕ показаны примеры стендов в разном положении переключателей на рисунках 5 – 12.

[pic 5]

 Рисунок 4 – Схема 3И-НЕ логический нуль

[pic 6]

Рисунок 5 – Схема 3И-НЕ логическая единица

[pic 7]

Рисунок 6 – Схема 3И-НЕ логическая единица

[pic 8]

Рисунок 7 – Схема 3И-НЕ логическая единица

[pic 9] 

Рисунок 8 – Схема 3И-НЕ логическая единица

[pic 10]

Рисунок 9 – Схема 3И-НЕ логическая единица

[pic 11]

Рисунок 10 – Схема 3И-НЕ логическая единица

[pic 12]

Рисунок 11 – Схема 3И-НЕ логическая единица

Для наглядности все измерения представлены в таблице 2.

Таблица 2 – Измерения стенда 3И-НЕ

«A»

«B»

«C»

Iу, мА

Uвых, В

Состояние выхода

1

1

1

0

0,00658

0

0

0

1

-4,328

3,937

1

0

1

0

-4,328

3,937

1

0

1

1

-2,776

3,937

1

1

0

0

-4,328

3,937

1

1

0

1

-2,776

3,937

1

1

1

0

-2,776

3,937

1

0

0

0

-1,202

3,937

1

...

Скачать:   txt (10.8 Kb)   pdf (989 Kb)   docx (799.8 Kb)  
Продолжить читать еще 3 страниц(ы) »
Доступно только на Essays.club