Essays.club - Получите бесплатные рефераты, курсовые работы и научные статьи
Поиск

Исследование функциональности преобразователей

Автор:   •  Март 16, 2021  •  Лабораторная работа  •  303 Слов (2 Страниц)  •  404 Просмотры

Страница 1 из 2

Задания

  1. Выполнить исследование функциональности преобразователей. Оценить скорость преобразования по числу выполняемых действий и требуемых тактов.
  2. Построить статические характеристики преобразователей, оценить точность преобразования.
  3. Сделать вывод о влиянии разрядности преобразователей на точность преобразования. Привести конкретные расчетные примеры влияния разрядности преобразователя на точность.

     4.Исследовать АЦ и ЦА преобразование гармонического сигнала.

В цифро-аналоговом преобразователе, преобразование цифрового сигнала в аналоговый осуществляется по следующей формуле:

,[pic 1]

L – вес одного разряда;

– соответствующие разряды входного цифрового кода;[pic 2]

 – весовые коэффициенты соответствующих разрядов входного цифрового кода.[pic 3]

,[pic 4]

 – опорное напряжение;[pic 5]

n – число разрядов входного двоичного кода.

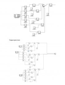
        Разработаем и реализуем модель в Matlab (Simulink):

[pic 6]

Схема работает следующим образом: блоки I0, I1, I2 реализуют цифровую последовательность 3-разрядного кода. Каждый блок подключен к инвертирующему оператору. W0, W1, W2 – весовые коэффициенты соответствующих разрядов. В процессе генерации кода происходит умножение каждого разряда на весовой коэффициент, сложение полученных сигналов, а затем умножение на вес одного разряда. Т.о. реализуется математическое выражение (3.1) для 3-разрядного и на выходе получается аналоговый сигнал.

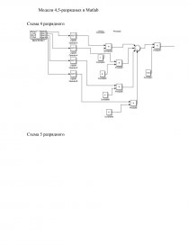
        Модели 4,5-разрядных в Matlab

...

Скачать:   txt (4.5 Kb)   pdf (269.2 Kb)   docx (658.6 Kb)  
Продолжить читать еще 1 страницу »
Доступно только на Essays.club