Essays.club - Получите бесплатные рефераты, курсовые работы и научные статьи
Поиск

Логические элементы КМОП

Автор:   •  Январь 26, 2021  •  Лабораторная работа  •  349 Слов (2 Страниц)  •  537 Просмотры

Страница 1 из 2

Министерство науки и высшего образования Российской Федерации

Федеральное государственное бюджетное образовательное учреждение высшего образования

«ТОМСКИЙ ГОСУДАРСТВЕННЫЙ УНИВЕРСИТЕТ СИСТЕМ УПРАВЛЕНИЯ И РАДИОЭЛЕКТРОНИКИ» (ТУСУР)

Кафедра комплексной информационной безопасности электронно-вычислительных систем (КИБЭВС)

 

ЛОГИЧЕСКИЕ ЭЛЕМЕНТЫ КМОП

Отчет по лабораторной работе №3

по дисциплине «Электроника и схемотехника»

Вариант №18

Студент гр. 719-1

[pic 1]Субботин А.А.[pic 2]

26.12.2020

Руководитель

Преподаватель КИБЭВС

______ Семенов А.С.

__.__.2020

Томск 2020


ВВЕДЕНИЕ

Цель работы: изучение работы логических элементов КМОП.

ПОСТАНОВКА ЗАДАЧИ

1. Соберите стенды для заданного вариантом транзисторов и логической функции для выходов 2С, включите их. Запишите показания приборов (ток потребления Iп и напряжение на выходе Uвых.) для разного положения переключателей каждого стенда.

2. Соберите стенд для заданного вариантом логического элемента с выходом 3С с активным уровнем EZ=1. Включите стенд. Запишите показания приборов (ток потребления Iп и напряжение на выходе Uвых.) для разного положения переключателей.

3. Соберите стенды для логической функции 3И, если в варианте задана 3И-НЕ, (иначе 3ИЛИ). Включите стенды. Запишите показания приборов (ток потребления Iп и напряжение на выходе Uвых.) для разного положения переключателей каждого стенда.

4. Напишите выводы о проделанной работе


1 ИССЛЕДОВАНИЕ ЛЭ ИЛИ КМОП

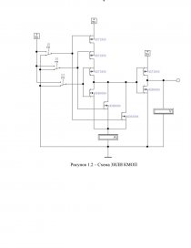
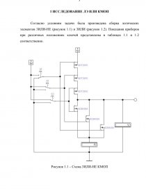
Согласно условиям задачи была произведена сборка логических элементов 3ИЛИ-НЕ (рисунок 1.1) и 3ИЛИ (рисунок 1.2). Показания приборов при различных положениях ключей представлены в таблицах 1.1 и 1.2 соответственно.

[pic 3]

Рисунок 1.1 – Схема 3ИЛИ-НЕ КМОП

[pic 4]

Рисунок 1.2 – Схема 3ИЛИ КМОП


Таблица 1.1 – Результаты измерений электрических параметров функции 3ИЛИ-НЕ

Ключ X

Ключ Y

Ключ Z

Iу, мкА

Uвых, мкВ

1

1

1

-2

0,1

1

1

0

-1,241

0,092

1

0

1

-1,5

0,114

1

0

0

-0,611

0,089

0

1

1

-1,5

0,114

0

1

0

-0,741

0,112

0

0

1

-1

0,157

0

0

0

0

5000000

Таблица 1.2 – Результаты измерений электрических параметров функции 3ИЛИ

Ключ X

Ключ Y

Ключ Z

Iу, мкА

Uвых, В

1

1

1

-2,75

5

1

1

0

-1,991

5

1

0

1

-2,25

5

1

0

0

-1,361

5

0

1

1

-2,25

5

0

1

0

-1,491

5

0

0

1

-1,75

5

0

0

0

0

0,000000156


2 ИССЛЕДОВАНИЕ ЛЭ И КМОП

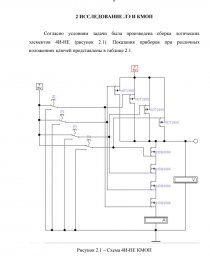
Согласно условиям задачи была произведена сборка логических элементов 4И-НЕ (рисунок 2.1). Показания приборов при различных положениях ключей представлены в таблице 2.1.

...

Скачать:   txt (6.3 Kb)   pdf (187.9 Kb)   docx (44.8 Kb)  
Продолжить читать еще 1 страницу »
Доступно только на Essays.club