Essays.club - Получите бесплатные рефераты, курсовые работы и научные статьи
Поиск

Синтез цифровых устройств

Автор:   •  Сентябрь 13, 2023  •  Курсовая работа  •  4,412 Слов (18 Страниц)  •  278 Просмотры

Страница 1 из 18

[pic 1]МИНИСТЕРСТВО ОБЩЕГО И ПРОФЕССИОНАЛЬНОГО ОБРАЗОВАНИЯ РОСТОВСКОЙ ОБЛАСТИ

ГОСУДАРСТВЕННОЕ БЮДЖЕТНОЕ ПРОФЕССИОНАЛЬНОЕ ОБРАЗОВАТЕЛЬНОЕ УЧРЕЖДЕНИЕ РОСТОВСКОЙ ОБЛАСТИ

«РОСТОВСКИЙ-НА-ДОНУ КОЛЛЕДЖ РАДИОЭЛЕКТРОНИКИ, ИНФОРМАЦИОННЫХ И ПРОМЫШЛЕННЫХ ТЕХНОЛОГИЙ» (ГБПОУ РО «РКРИПТ»)

КУРСОВАЯ РАБОТА

Тема: СИНТЕЗ ЦИФРОВЫХ УСТРОЙСТВ

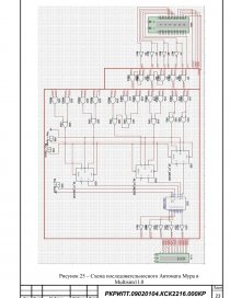
РКРИПТ.09.02.0104.КСК2216.000КР

Работу выполнил Рыбальченко Вячеслав Алексеевич

Группа КСК-22к Специальность 09.02.01 Компьютерные системы и комплексы

Дисциплина МДК01.01 Цифровая схемотехника

Руководитель Колтунов Александр Алексеевич

Работа защищена с оценкой                           

оценка        подпись руководителя

«        »        2021 г.

СОДЕРЖАНИЕ

Введение……………………………………………………………………….        3

  1. Синтез комбинационного устройства…………………………………..        4
  1. Составление таблицы истинности………………………………………        4
  2. Составление логических выражений в СКНФ и СДНФ……………….        4
  3. Минимизация логических функций методом карт Карно……………..        5
  4. Представление логических выражений в универсальных базисах……        6
  5. Выбор        элементной        базы        и        составление        схемы        электрической принципиальной разрабатываемого комбинационного устройства……….        8
  6. Моделирование работы комбинационного устройства в программе автоматизированного проектирования        11
  1. Синтез последовательностного устройства……………………………        13
  1. Составление        таблицы        переходов        для        последовательностного устройства в соответствии с заданием (графом переходов)………………        13
  2. Запись логических выражений по таблице переходов………………..        14
  3. Выбор        элементной        базы        и        составление        схемы        электрической принципиальной разрабатываемого последовательностного устройства...        15
  4. Моделирование        работы        последовательностного        устройства        в программе автоматизированного проектирования…………………………        17

Заключение…………………………………………………………………..        25

Список литературы…………………………………………………………        26

РКРИПТ.09020104.КСК2216.000КР

Изм.

Лист

№ докум.

Подпись

Дата

Разраб.

Рыбальченко В.А.

Синтез цифровых

устройств

Лит.

Лист

Листов

Провер.

Колтунов А.А.

1

26

Реценз.

КСК-22к

Н. Контр.

Утверд.

Введение

Цель работы: разработать комбинационный автомат по таблице истинности методом карт Карно и последовательностный автомат Мура по заданному графу. Основной задачей данной работы является закрепление теоретических знаний по изучаемой дисциплине, получение студентами практических навыков синтеза цифровых устройств, что поможет в дальнейшем вести комплексную разработку цифрового устройства.

Цифровую схемотехнику следует рассматривать как продолжение курса

«Приклодной электроники». Большинство современных систем автоматики, вычислительные        системы,        системы        передачи        и        обработки        информации выполняются на устройствах цифровой техники либо полностью, либо частично. Поэтому знание принципов применения цифровых устройств

и построения на их основе систем различного назначения имеет актуальное значение и большую практическую ценность как в инженерной деятельности, так и при исследованиях методах логического характера. Цифровую схемотехнику можно разделить на: 1) Основы микроэлектроники;

2) Комбинационные устройства цифровой техники; 3) Последовательностные логические устройства цифровой техники.

Применение цифровых устройств в настоящее время, в связи с созданием и широким внедрением в инженерную практику микропроцессорных устройств и систем, не ослабевает и вновь стимулируется интерес к цифровым методам обработки и передачи информации. Названные методы, в свою очередь, придают системам ряд положительных свойств и качеств. Повышается верность передаваемой информации, достигается высокая скорость и производительность систем обработки информации, обеспечивается приемлемая их стоимость, высокая надёжность, малое потребление энергии и т. д. Решаемые этими системами задачи весьма разнообразны и предопределяют функции устройств, образующих конкретную систему. Поэтому устройства и их функции целесообразно рассматривать именно в свете тех задач, которые решаются системами и, в частности, тех подзадач, которые выполняются отдельными устройствами либо блоками. Основными типовыми задачами, возникающими при автоматическом или автоматизированном управлении и контроле производственными или иными процессами, являются: 1) Сбор информации (её получение); преобразование информации (масштабирование, нормализация, фильтрация, кодирование и т. д.); 2) Передача-приём информации; 3) Обработка и использование информации; 4) Хранение информации. В зависимости от целевого назначения и основных функций различают: Системы автоматического (либо автоматизированного) управления и контроля. Системы передачи информации. Системы обработки информации (вычислительные системы). Цифровая схемотехника одна из самых современных наук, которая в будущем будет одной из самых актуальных.

РКРИПТ.09020104.КСК2216.000КР

Лист

3

Изм.

Лист

№ докум.

Подпись

Дата

...

Скачать:   txt (53.5 Kb)   pdf (1 Mb)   docx (1.9 Mb)  
Продолжить читать еще 17 страниц(ы) »
Доступно только на Essays.club