Essays.club - Получите бесплатные рефераты, курсовые работы и научные статьи
Поиск

Контрольная работа по "Метрологии, стандартизации и сертификации"

Автор:   •  Февраль 7, 2019  •  Контрольная работа  •  1,512 Слов (7 Страниц)  •  845 Просмотры

Страница 1 из 7

 МИНИСТЕРСТВО ОБРАЗОВАНИЯ И НАУКИ РОССИЙСКОЙ ФЕДЕРАЦИИ Федеральное государственное бюджетное образовательное учреждение высшего образования «Тихоокеанский государственный университет» [pic 1]

КОНТРОЛЬНАЯ РАБОТА ПО МЕТРОЛОГИИ, СТАНДАРТИЗАЦИИ И СЕРТИФИКАЦИИ

Направление: Технология транспортных процессов

Профиль: Организация и управление на автомобильном транспорте

 

Вариант контрольной работы № 12

Выполнил: Карпухин Вячеслав Игоревич Номер зч. кн. 170013362

 группа ОП(б)зуд-71

Задание № 1. Выбрать посадку для соединения при следующих исходных данных (табл. 1): номинальный размер соединения

d = 75мм; Smax = 245 мкм; Smin = 120мкм. Выполнить на формате А4 эскиз соединения и деталей. Проставить размеры, отклонения формы и расположения, величину шероховатости поверхности. Построить СПД. Выбрать средства измерения.

Решение

d = 48 мм; Smax = 200 мкм; Smin = 130 мкм.

Посадку подбираем в системе вала.

В данной системе вал имеет основное верхнее отклонение h, т.е. es = 0.

Для формирования посадки с зазором нужно, чтоб поле допуска вала было размещено ниже поля допуска отверстия.

При нулевом нижнем отклонении вала наименьший зазор Smin в посадке будет предопределятся величиной верхнего отклонения вала, которое определяется по [2] из условия исполнения неравенства:

Smin ≥ Smin ф

Необходимый квалитет для отверстия и вала найдем из условия:

Smax - Smin = TD + Td

Smax ф ≥ Smax

Smax ф - Smin ≥ TD + Td

245 – 120 = 125 ≥ TD + Td

По [2] определим, что это неравенство выполняется, если взять допуск отверстия по 8 квалитету и допуск вала по 8 квалитету:[pic 2]

46 + 46 = 92 или же TD = 46(IT8) и Td = 46(IT8).

Таковым образом, поле допуска вала найденоо: h8. Найдем основное отклонение отверстия, которое считается его нижним отклонением EI и фиксирует положение данногоо поля. Будем считать, что поле допуска может перемещаться, не выходя за Smax сверху и за Smin снизу.

Из условия обеспечения нужныхх наименьшего и наибольшего зазоров можно найти допускаемые границы местоположения нижнего отклонения отверстия EI:

EI max ≤  Smax – TD;

EI min ≥ es + Smin;

EI min ≥ 0 + 130 = 120 мкм;

EI max ≤ 245 – 46 = 199 мкм

По [2] найдем, что в данный ипромежуток попадает основное отклонение EI = +120 мкм.

Подобранная посадка Ø 75 С8/h8 относится к ряду рекомендуемых.

Методы окончательной обработки поверхностей деталей в соединении определяются по таблице 2.66 [2].

Отверстие в редукторе – чистовое зенкерование дает Rа = 3,2 – 6,3 мкм при достижимом квалитете точности IT 8.

Наружная поверхность вала окончательно обрабатывается тонким точением при Rа = 0,8 - 1,6 мкм и квалитете точности IТ 7.

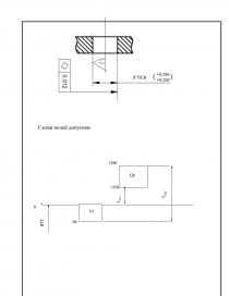
Для определения допусков формы принимаем относительную геометрическую точность формы нормальную (А) таблица 2.19 [2] со средним соотношением допусков формы и размера [pic 3].

Числовые значения допусков цилиндричности по таблице 2.18 [2]: для отверстия - 12 мкм, для вала - 8 мкм.

Для отверстия Rа = 3,2 мкм, для вала Rа = 0,8 мкм.[pic 4]

Вычерчиваем эскиз соединения и деталей. Строим схему полей допусков. [6]

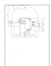
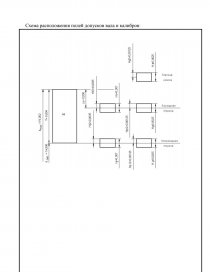
Для контролирования размера отверстия используется калибр-пробка проходная и непроходная, для контроля вала – калибр-скоба проходная и непроходная.[pic 5]

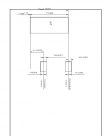
Узел в сборе:

[pic 6]

Вал:

[pic 7]

Отверстие:

[pic 8][pic 9]

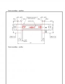
Схема полей допусков:

[pic 10]

Задание № 2. Определить вероятностные характеристики соединения 1/2(табл.2). [pic 11] . Выполнить на формате А4 эскиз соединения и деталей. Проставить размеры, отклонения формы и расположения, величину шероховатости поверхности. Построить СПД.[pic 12]

Решение

[pic 13] – переходная посадка в системе вала.

...

Скачать:   txt (14.4 Kb)   pdf (506.8 Kb)   docx (142.8 Kb)  
Продолжить читать еще 6 страниц(ы) »
Доступно только на Essays.club