Essays.club - Получите бесплатные рефераты, курсовые работы и научные статьи
Поиск

Проектирование цифрового автомата

Автор:   •  Январь 1, 2023  •  Курсовая работа  •  4,246 Слов (17 Страниц)  •  384 Просмотры

Страница 1 из 17

Министерство науки и высшего образования Российской Федерации

Федеральное государственное бюджетное образовательное учреждение

высшего образования

«УЛЬЯНОВСКИЙ ГОСУДАРСТВЕННЫЙ ТЕХНИЧЕСКИЙ УНИВЕРСИТЕТ»

Факультет         Радиотехнический        

Кафедра         «Радиотехника»        

Дисциплина         «Цифровые устройства и микропроцессоры»        

КУРСОВОЙ ПРОЕКТ

Тема         Проектирование цифрового автомата        

        

Выполнил студент                         /         Маринин А.А.         /

        подпись         инициалы, фамилия

Курс                               3                Группа         РТбд-31                  

Направление / специальность         «Радиотехника»        

Руководитель                 старший преподаватель        

должность, ученая степень, ученое звание

        Царев Михаил Григорьевич        

фамилия, имя, отчество

                                                Дата сдачи:

        « __ »  ______________ 20_20 г.

                                      Дата защиты:

        « __ »  ______________ 20_20 г.

                                                        

                      Оценка:

Ульяновск

2020 г.

[pic 1]

[pic 2]Содержание

Введение        4

1.Разработка структурной схемы и алгоритма работы ЦА        5

2.Синтез элементов структурной схемы        8

2.1.Разработка генератора тактовых импульсов        8

2.2.Обоснование выбора и синтез счетчиков.        10

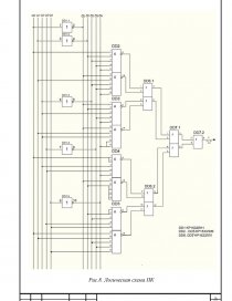
2.3.Синтез преобразователя кодов.        12

2.4. Синтез генератора ПСПИ        17

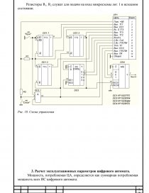
2.5. Схема управления        18

3. Расчет эксплуатационных параметров цифрового автомата.        20

4.Библиографический список:        24

                                

[pic 3]Введение

Взаимное проникновение вычислительной техники и средств связи приводит к необходимости качественного изменения средств связи. В настоящее время происходит широкое внедрение цифровых методов формирования и передачи информации. Это обусловило использование устройств цифровой и вычислительной техники, как основы для построения аппаратуры техники связи.

Курсовой проект «Проектирование цифрового автомата» выполняется по дисциплине «Цифровые устройства и микропроцессоры». Выполнение курсового проекта (КП) является заключительным этапом изучения основ цифровой схемотехники, принципов построения цифровых устройств узлов и блоков аппаратуры техники связи. Его выполнение направлено на привитие практических навыков разработки и проектирования импульсных и цифровых устройств, применяемых в народном хозяйстве.

Целью выполнения проекта является:

  1. Систематизировать, закрепить и углубить теоретические знания основ цифровой схемотехники.
  2. Научиться  самостоятельно  применять  полученные  при  изучений
    дисциплины знания принципов построения цифровых устройств узлов и блоков аппаратуры техники связи для решения конкретных инженерных задач с применением интегральных схем (ИС).
  3. Развить практические навыки по синтезу импульсных и цифровых
    устройств.
  4. Совершенствовать навыки инженерного расчёта импульсных и цифровых устройств, выполняемых на базе ИС.
  5. Привить практические навыки выполнения принципиальных схем
    импульсных и цифровых устройств, оформления текстовых и графических документов.

С этой целью в проекте решается задача разработки источника сообщений системы электрической связи, представляющего собой цифровой автомат формирующий определённую совокупность сообщений в цифровой форме.

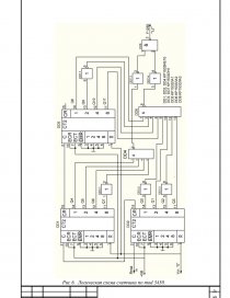
  1. [pic 4]1.Разработка структурной схемы и алгоритма работы ЦА

        

       В задании указано, что ЦА должен начать формирование определенной кодовой последовательности дискретных сигналов, в соответствии с индивидуальным заданием, спустя промежуток времени t после включения питания и запуска автомата нажатием на кнопку «ПУСК». Следовательно, на основе анализа данных функций можно сделать вывод, что проектируемое устройство должно содержать:

...

Скачать:   txt (43.5 Kb)   pdf (894.3 Kb)   docx (1.1 Mb)  
Продолжить читать еще 16 страниц(ы) »
Доступно только на Essays.club