Essays.club - Получите бесплатные рефераты, курсовые работы и научные статьи
Поиск

Стабилизированный источник питания

Автор:   •  Апрель 25, 2019  •  Контрольная работа  •  3,587 Слов (15 Страниц)  •  630 Просмотры

Страница 1 из 15

1. Стабилизированный источник питания

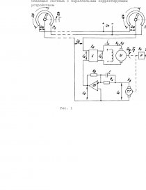
Источник предназначен для питания электрической нагрузки (Н) стабилизированным напряжением постоянного тока независимо от колебаний напряжения питающей сети и изменения сопротивления нагрузки. Источник содержит (рис. 1) полупроводниковый преобразователь (П), выходной сглаживающий фильтр (Ф); усилитель (У), датчик выходного напряжения (ДН), задающий потенциометр (ЗП).

Уравнения динамики элементов системы записывается следующим образом:

а) датчик напряжения

[pic 1];

б) сравнивающее устройство

[pic 2];

в) усилитель

[pic 3];

г) преобразователь

[pic 4];

[pic 5];

д) выходной сглаживающий фильтр

[pic 6];

[pic 7],

где [pic 8], [pic 9], [pic 10], [pic 11] - выходные напряжения задающего устройства, датчика напряжения, усилителя и преобразователя, соответственно;

[pic 12] - напряжение рассогласования;

[pic 13] - напряжение питающей сети;

[pic 14] - напряжение на нагрузке;

[pic 15] - сопротивление нагрузки;

[pic 16], [pic 17], [pic 18] - коэффициенты передачи соответственно датчика напряжения, усилителя и преобразователя;

[pic 19], [pic 20] - постоянные времени датчика напряжения и преобразователя;

[pic 21] - эквивалентное внутреннее сопротивление преобразователя;

[pic 22], [pic 23] - индуктивность и емкость сглаживающего фильтра.

Численные значения параметров уравнений определяются по данным таблицы.


Стабилизированный источник питания

[pic 24]

Рис. 1


Задание

1. Определить принцип построения системы. Составить функциональную схему и показать ее взаимосвязь с принципиальной схемой. Дать краткое описание работы системы при изменениях задающего и возмущающих воздействий.

2. Составить линеаризованные уравнения преобразователя и сглаживающего фильтра для малых отклонений от номинального режима. Определить неизвестные параметры по уравнениям статики в номинальном режиме.

3. Записать дифференциальные уравнения звеньев системы в отклонениях и затем в операторной форме при нулевых начальных условиях. Найти передаточные функции звеньев, составить структурную схему системы (структурную схему привести к одноконтурному виду с единичной обратной связью).

4. Определить по структурной схеме передаточную функцию разомкнутой системы и шесть передаточных функций замкнутой системы: для регулируемой величины и для ошибки по задающему напряжению, сопротивлению нагрузки и по напряжению питающей сети.

5. Используя операторные уравнения замкнутой системы для регулируемой величины и ошибки, определить, является система статической или астатической.

6. Определить требуемый коэффициент усиления разомкнутой системы ([pic 25]) и усилителя ([pic 26]) по заданным значениям отклонений напряжения сети ([pic 27]),сопротивления нагрузки ([pic 28]) и соответствующей величине отклонения напряжения на нагрузке ([pic 29]) в замкнутой системе.

7. Построить логарифмические амплитудную и фазовую частотные характеристики разомкнутой системы. Проанализировать устойчивость замкнутой системы по виду ЛАЧХ и ЛФЧХ.

8. Выполнить синтез корректирующего устройства методом логарифмических частотных характеристик по заданным времени регулирования ([pic 30]) по задающему воздействию и величине перерегулирования ([pic 31]), не превышающей 20%. Выбрать место включения, схему и рассчитать параметры корректирующего устройства.

9. Рассчитать переходные процессы изменения регулируемой величины в скорректированной системе при ступенчатом изменении задающего воздействия [pic 32]=1 В, а также ступенчатом изменении сопротивления нагрузки (нечетные номера вариантов задания) и напряжения питающей сети [pic 33] (четные номера вариантов) на величины, указанные в таблице. Проверить систему на соответствие требованиям задания.

...

Скачать:   txt (58.3 Kb)   pdf (3.3 Mb)   docx (2.5 Mb)  
Продолжить читать еще 14 страниц(ы) »
Доступно только на Essays.club