Essays.club - Получите бесплатные рефераты, курсовые работы и научные статьи
Поиск

Исследование неуправляемых выпрямителей

Автор:   •  Июнь 19, 2022  •  Лабораторная работа  •  632 Слов (3 Страниц)  •  506 Просмотры

Страница 1 из 3

Цель работы: изучить принцип работы неуправляемых выпрямителей и определить зависимости между основными величинами, характеризующих работу схем.

;[pic 1]

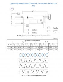
Однополупериодная схема (опыт №1)

[pic 2]

Рис.1.1. Схема однополупериодного выпрямителя

Таблица 1.

Экспериментальные данные

[pic 3]

[pic 4]

[pic 5]

[pic 6]

Ом

[pic 7]

Ом

[pic 8]

Ом

[pic 9]

Ом

[pic 10]

Ом

[pic 11]

Ом

[pic 12]

Ом

[pic 13]

Ом

[pic 14]

Ом

[pic 15]

Ом

[pic 16]

56.89

56.89

56.89

56.89

56.87

5.689

2.845

1.138

0.5689

0.2844

[pic 17]

1.978

3.672

9.213

17.29

28.94

0.1886

0.1868

0.182

0.1728

0.1447

[pic 18]

Рис.1.2. Осциллограмма токов и напряжений

 [pic 19]

Рис.1.3. Внешняя характеристика  при [pic 20][pic 21]

[pic 22]

Рис. 1.4. Внешняя характеристика  при [pic 23][pic 24]

Произведем теоретические расчеты, с помощью блока Gain.

[pic 25]

Рис.1.5. Однополупериодная схема с блоком Gain

Таблица 2.

Экспериментальные данные

[pic 26]

[pic 27]

[pic 28]

[pic 29]

Ом

[pic 30]

Ом

[pic 31]

Ом

[pic 32]

Ом

[pic 33]

Ом

[pic 34]

Ом

[pic 35]

Ом

[pic 36]

Ом

[pic 37]

Ом

[pic 38]

Ом

[pic 39]

119.2

119.2

119.2

119.2

119.2

11.92

5.961

2.384

1.192

0.596

[pic 40]

119.2

119.2

119.2

119.2

119.2

11.92

5.961

2.384

1.192

0.596

[pic 41]

Рис.1.6. Осциллограмма токов и напряжений

[pic 42]

Рис. 1.7. Внешняя характеристика  при [pic 43][pic 44]

[pic 45]

Рис. 1.8. Внешняя характеристика  при [pic 46][pic 47]

Вывод: Из последней осциллограммы видно, что ток не сгладился. Подключенный блок Gain повлиял на внешнюю характеристику.

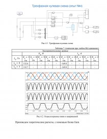
Однофазная мостовая схема (опыт №2)

[pic 48]

Рис.2.1. Однофазная мостовая схема

Таблица 3.

Экспериментальные данные

[pic 49]

[pic 50]

[pic 51]

[pic 52]

Ом

[pic 53]

Ом

[pic 54]

Ом

[pic 55]

Ом

[pic 56]

Ом

[pic 57]

Ом

[pic 58]

Ом

[pic 59]

Ом

[pic 60]

Ом

[pic 61]

Ом

[pic 62]

113

113

113

113

113

11.3

5.649

2.26

1.13

0.5651

[pic 63]

113

113

113

113

113

2.927

2.547

1.753

1.073

0.5653

[pic 64]

Рис.2.2. Осциллограмма токов и напряжений

[pic 65]

Рис. 2.3. Внешняя характеристика  при [pic 66][pic 67]

[pic 68]

Рис. 2.4. Внешняя характеристика  при [pic 69][pic 70]

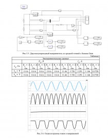
Произведем теоретические расчеты, с помощью блока Gain.

[pic 71]

Рис.2.5. Однофазная мостовая схема с блоком Gain

Таблица 4.

Экспериментальные данные

[pic 72]

[pic 73]

[pic 74]

[pic 75]

Ом

[pic 76]

Ом

[pic 77]

Ом

[pic 78]

Ом

[pic 79]

Ом

[pic 80]

Ом

[pic 81]

Ом

[pic 82]

Ом

[pic 83]

Ом

[pic 84]

Ом

[pic 85]

119.2

119.2

119.2

119.2

119.2

11.92

5.961

2.384

1.192

0.5961

[pic 86]

119.2

119.2

119.2

119.2

119.2

11.92

5.961

2.384

1.192

0.5961

...

Скачать:   txt (11.4 Kb)   pdf (973.4 Kb)   docx (1.3 Mb)  
Продолжить читать еще 2 страниц(ы) »
Доступно только на Essays.club