Essays.club - Получите бесплатные рефераты, курсовые работы и научные статьи
Поиск

Қағидалы схема жұмысы мен элементтік негіздің таңдау сипаты

Автор:   •  Октябрь 12, 2018  •  Курсовая работа  •  3,971 Слов (16 Страниц)  •  859 Просмотры

Страница 1 из 16

                                             

                                             

МАЗМҰНЫ

Кіріспе        3

1. Объектінің сипаты мен функционалды ерекшіліктері        5

    1.1. Жүйе құрылымының сипаты        8

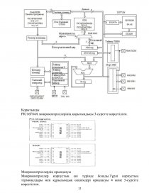
    1.2. МКPIC16F84А ресурстарының сипатталуы        9

    1.3 Құрал жұмысының алгоритмін құру        14

2. Ассемблермен жұмыс жасау        15

   2.1 AVR микроконтроллерлер ерекшеліктері        15

   2.2. МПЖ-ның функционалды байланыстарының сипаты        18

3. Қағидалы схема жұмысы мен элементтік негіздің таңдау сипаты        19

Қорытынды        21

Қолданылған әдебиеттер        22

А қосымшасы. Бағдарлама листингі және объектілі  файл        23

Б қосымшасы. Микроконтроллер         40

В қосымшасы Қағидалы электрондық сызба        42

Кіріспе

Осы жұмыстың негізгі міндеті температураны автоматты түрде қалыптандыру үшін арналған құрылғы құру. Температура реттегіштерінің басты ерекшелігі қарапайым аналогтарға қарағанда едәуір кең функционалдылығы бар тізбектердің қарапайымдылығы және өндіру,пайдалану кезінде реттеу қажеттілігі жоқ. Бірақ мұндай реттегіштердің ең маңызды артықшылығы олардың қарапайым модификациясы болып табылады, іс жүзінде бірдей схемалар мен дизайн шешімдерінің негізінде реттеушілерді әртүрлі қосымшалар үшін салуға болады бұл олардың дамуын және шығындарды айтарлықтай жеңілдетеді. Ол бағдарламалық жасақтаманы және атқарушы түйіндерді өзгертуді талап етуі мүмкін. Орташа температуралық бақылаушылар мысалы, термостаттар, инкубаторлар, жылыжайлар, т.б., автоматты түрде тұрақты температураны өлшеу және қолдау үшін жасалған. Температура реттегіштері (мысалы, фототүрлену, аквариумдағы су, электрлі су жылыту жүйесіндегі су), жылыжайдағы ауа, қонақ бөлмеде және т.б сұйықтықтың қажетті температурасын ұстап тұруға арналған. Кез келген термостаттың жұмыс принципі сенсордың температурасына сәйкес қыздыру элементінің қуатын тегіс немесе күрт өзгертуінен тұрады.

Датчиктің температурасы белгілі бір мәнге жеткенде қыздыру элементі өшіріледі. Қыздыру элементі екі жағдайдың бірінде болады: қосулы немесе өшірулі, сондықтан осы басқару заңымен контроллер жиі релейлі деп атайды.

Қазіргі таңда отыздан астам шетелдік фирмалар бит сыйымдылығы 8 бит, арзан және әртүрлі қолданбаларда қолдануға жарамды жаппай қолдану микроконтроллерлерін шығарады. Дегенмен, бұл Microchip® TechnologyInc компаниясының PIC сериясының микроконтроллерлері.  Бұл микроконтроллерлер бүкіл әлемде, электронды жабдық өндірушілерге де, радио әуесқойларға да өте танымал.

Бұйымдарда  микроконтроллерлерді қолдану тек қана техникалық-экономикалық көрсеткiштердiң (құн, сенiмдiлiк, тұтынылатын қуат, габариттi өлшемдер) жоғарылатуға алып келмейді, сонымен қатар бұйымдарды өңдеууақытын қысқартуға мүмкiндiк бередi және оларды сыртқы ортаның кез келген жағдайына бейімділігін, адапттивтiлігін жақсартады. Микроконтроллерді басқару жүйелерiнде қолдану аз шығындап, биiк тиiмдiлiк көрсеткiштерiне жетуді қамтамасыз етедi.

Микроконтроллерлер құрамында түрлi объекттер және процесстердiң тиiмдi автоматтандыру құралдары болады. Микроконтроллердібiр микросхемада орналасқан компьютер ретiндесанауға болады. Бұдан оның негiзгi тартымды сапалары: аз габариттер, жоғарғы өнiмдiлiк, сенiмдiлiк және қабiлеттiлiгi тiптен әр түрлi есептердiң орындауы шешіледі.

Микроконтроллер орталық процессордан (ОП ) тысжады және көп құрылымды енгізу/шығару функцияларын өз құрамына енгізеді. Олар: аналогтық-цифрлық түрлендiргiштер, мәлiметтiң бiртiндеп және параллель берiлу каналдары, нақты уақыттың таймерлерi, ендiк - импульсты модуляторлар (ЕИМ ), программалалатын импульстердiң генераторы және тағы басқалар.Микроконтроллердің  негiзгi тағайындалуы –оны автоматты басқару  жүйелерiнде, тiптен әр түрлi құрылымдарда қолданылуы болып табылады.

1. Объектінің сипаты мен функционалды ерекшіліктері

...

Скачать:   txt (58.3 Kb)   pdf (5.6 Mb)   docx (5.7 Mb)  
Продолжить читать еще 15 страниц(ы) »
Доступно только на Essays.club