Essays.club - Получите бесплатные рефераты, курсовые работы и научные статьи
Поиск

Източници на ел енергия в автомобилната мрежа - видове генератори и начини на включване

Автор:   •  Ноябрь 5, 2020  •  Реферат  •  1,212 Слов (5 Страниц)  •  381 Просмотры

Страница 1 из 5

ИЗТОЧНИЦИ НА ЕЛ ЕНЕРГИЯ В АВТОМОБИЛНАТА МРЕЖА – ВИДОВЕ ГЕНЕРАТОРИ И НАЧИНИ НА ВКЛЮЧВАНЕ

  1. ОБЩИ СВЕДЕНИЯ

Системата за ел. снабдяване на в автомобила служи за захранване на всичките консуматори с ел. Енергия. Източници на ел. Енергия в автомобила са генератора и акумулаторната батерия (АБ) работещи в паралел.

При работещ двигател генератора е основен източник на ел. Енергия и осигурява електроснабдяването на консуматорите и зареждане на АБ. При неработещ двигател функциите на източник на ел. Енергия  се поемат от АБ, която също така трябва да осигурява и надежден пуск на двигателя.

Автомобилните генератори работят в режими на променливи честоти на въртене и натоварвания, изменящи се в широки граници. За автоматично поддържане на напрежението на генератора до зададена стойност при изменения на честотата на въртене и натоварване се използува регулатор на напрежението.

[pic 1]

   

               Структурна схема на системата за  електроснабдяване на автомобила

При UГАБ                 IГ=IЗБ  +IТ                   Б - батерия[pic 2]

        UГБ                   IГ =IТ                         З - зареждане                 

        UГБ                   IТ=IГ+IБР               Р - разреждане

        UГ=0                      IБР=IТ

  1. Изисквания към автомобилните генератори

- Да  имат голяма мощност при малки размери;

- Автоматично да поддържат постоянно напрежение при изменение на оборотите на вала на генератора и на натоварването;

- Да имат проста конструкция и леко обслужване;

- Да са надеждни при експлоатация;

- Да обезпечават нормален режим на зареждане на АБ – да отдават голям ток при силно разредена АБ и малък при заредена;

- Да са добре механически и електрически защитени;

- Да са евтини.

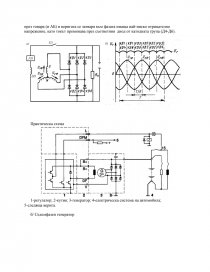
III. Видове автомобилни генератори

1.Генератор за постоянен ток  -  Използува се генератор с паралелно възбуждане, който спада към групата генератори за постоянен ток със самовъзбуждане.

[pic 3]

ВН – възбудителна намотка – създава постоянно магнитно поле. Разположена е в неподвижната част на машината, наречена „индуктор”.

К – Котва – въртяша се част. В нея се индуктира променливо е.д.н., което чрез колектора и четките се изправя.

Големината на индуктираното  е.д.н. е:

Е=с.Ф.n      [V]                                                                                                  (1)      

Където: с – константа;

              Ф – магнитен поток, създаван от ВН;

               n -  честота на въртене на котвата.

За поддържане на постоянно напрежение на изводите на генератора се използува регулатора  на напрежение (РН). Както се вижда от (1), за поддържане на постоянно напрежение на изводите на генератора е необходимо с нарастване на честотата на въртене да намалява стойността на магнитният поток (т.е. да намалява тока през възбудителната намотка).

Ограничител на ток  (ОТ) – предпазва генератора от претоварване.

Реле за обратен ток (РОТ) – автоматично изключва генератора от веригата, когато напрежението му стане по-малко от напрежението на АБ.

Недостатъци на генераторите за постоянен ток – дължат се главно на наличието на колекторно-четков апарат:

- Има искрене между колектора и четките, поради комутацията, което искрене нараства с нарастването на тока. Това искрене ограничава плътността на тока и съответно възможността да се намалят размерите на генератора при дадена мощност.

- Дори и най-малката неточност при изработване на колектора води до рязко износване на четките.

...

Скачать:   txt (11.2 Kb)   pdf (674.6 Kb)   docx (239.5 Kb)  
Продолжить читать еще 4 страниц(ы) »
Доступно только на Essays.club