Essays.club - Получите бесплатные рефераты, курсовые работы и научные статьи
Поиск

Гладких циліндричних деталей

Автор:   •  Сентябрь 20, 2018  •  Курсовая работа  •  4,819 Слов (20 Страниц)  •  569 Просмотры

Страница 1 из 20

Міністерство освіти і науки України

Національний університет «Львівська політехніка»

[pic 1]

Курсова робота

з дисципліни

«Взаємозамінність, стандартизація та технічні вимірювання»

                                                                   Виконав:

Студент гр. МТП-31

                                                                           Максимів Р.В

                                                                   Прийняв:

                                                                              Новіцький Ю.Я  

Львів – 2018 р.

Зміст

      Вступ

  1. Посадки гладких циліндричних зєднань;
  2. Розрахунок калібрів для контролю гладких циліндричних деталей;
  3. Посадки підшипників кочення;
  4. Посадки різьбових метричних з’єднань;
  5. Посадки шліфованих з’єднань;
  6. Спряження зубчастих коліс;
  7. Розрахунок розмірних ланцюгів;

Приклад 1.1 Задано гладке циліндричне з’єднання Ø 63 H8/e8

1. Граничні відхилення отвору та валу (див. додатки 1 і 2).

ES= +0,046 мм; EI=0 мм;

еs = -0,060 мм; еi= -0,106 мм.

2. Характер посадки та система посадки.

Характер посадки - посадка рухома. Система посадки - система основ-

ного отвору (основне відхилення валу - H при ES= 0).

3. Граничні розміри, допуски отвору та вала, посадки у з’єднанні.

Граничні розміри деталей:

Dmin= D+EІ = 63+0 = 63 мм;

Dmax = D+ES = 63 + 0,046 = 63,046 мм;

dmin= d+ei = 63 + (-0,106) = 62,894 мм;

dmax= d+es = 63 + (- 0,060 ) = 62,940 мм.

Допуск на діаметр отвору:

TD = Dmax- Dmin= 63,046 – 63 = 0,046 мм;

TD = ES - EІ = 0,046 - 0 = 0,046 мм.

Допуск на діаметр валу:

Td = dmax- dmin= 62,940 – 62,894 = 0,046 мм;

Td = es - ei = 0,060 - ( -0,106) = 0,046

Граничні посадки з’єднання:

- найбільший зазор:

Smax= Dmax- dmin= 63,046 - 62,894 = 0,152 мм;

Smax= ES -ei = 0,046 - (-0,106) = 0,152 мм.

- найменший зазор:

Smin= Dmin- dmax= 63 – 62,940 = 0,060 мм;

Smin= EI -es = 0 – 0,060 = 0,060 мм.

Допуск посадки:

T(SN) = TD+Td= 0,046+0,046 = 0,092 мм

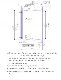
4. Розроблення схеми розташування полів допусків деталей

з’єднання Ø75 H8/e8 (схема зображена на рис.1).

[pic 2]

Рис. 1. Графічне зображення полів допусків отвору і вала посадки

Ø75 H8/e8.

Приклад 1.2 Задано гладке циліндричне з’єднання Ø 75 N7/h7

1. Граничні відхилення отвору та валу (див. додатки 1 і 2).

ES= -0,009 мм; EI=-0,039 мм;

еs = 0 мм; еi= -0,030 мм.

2. Характер посадки та система посадки.

Характер посадки - посадка перехідна. Система посадки - система основ-

ного валу (основне відхилення отвору - h при ei= 0).

3. Граничні розміри, допуски отвору та вала, посадки у з’єднанні.

Граничні розміри деталей:

D min = D+EІ = 63+ (-0,039) = 62,961 мм;

Dmax= D+ES = 63 + (-0,009) = 62,991 мм;

dmin= d+ei = 62 + (-0,030) = 62,970 мм;

dmax= d+es = 63 + 0 = 63 мм.

Допуск на діаметр отвору:

TD = Dmax- Dmin= 62,991 – 62,961 = 0,030 мм;

TD = ES - EІ = -0,009- (-0,039) = 0,030 мм.

Допуск на діаметр валу:

Td = dmax- dmin= 63 – 62,970 = 0,030 мм;

Td = es - ei = 0- ( -0,030) = 0,030 мм;

Граничні посадки з’єднання:

- найбільший зазор:

Smax= Dmax- dmin= 62,991 – 62,970 = 0,021 мм;

Smax= ES -ei = 0,009 - (-0,030) = 0,021 мм.

- найбільший натяг:

N max = dmax- Dmin= 63 – 62,961 = 0,039 мм;

Nmax= es - EІ = 0- (-0,039) = 0,039 мм.

Допуск посадки:

T(SN) = TD+Td= 0,030+0,030 = 0,060 мм

4. Розроблення схеми розташування полів допусків деталей

з’єднання Ø63 N7/h7 (схема зображена на рис.2).

[pic 3]

Рис. 2. Графічне зображення полів допусків отвору і вала посадки

Ø63 N7/h7

5. Визначення ймовірності одержання зазорів і натягів. Побудова

...

Скачать:   txt (37.6 Kb)   pdf (1.3 Mb)   docx (602.6 Kb)  
Продолжить читать еще 19 страниц(ы) »
Доступно только на Essays.club