Essays.club - Получите бесплатные рефераты, курсовые работы и научные статьи
Поиск

Автоматизация установки газофракционирования широкой фракции легких углеводородов

Автор:   •  Ноябрь 25, 2018  •  Контрольная работа  •  3,546 Слов (15 Страниц)  •  903 Просмотры

Страница 1 из 15

МИНИСТЕРСТВО ОБРАЗОВАНИЯ И НАУКИ РОССИЙСКОЙ ФЕДЕРАЦИИ

Федеральное государственное бюджетное

образовательное учреждение высшего образования

«ТЮМЕНСКИЙ ИНДУСТРИАЛЬНЫЙ УНИВЕРСИТЕТ»

Институт промышленных технологий и инжиниринга

Кафедра «Переработка нефти и газа»

САМОСТОЯТЕЛЬНАЯ РАБОТА

на тему: «Автоматизация установки газофракционирования широкой фракции легких углеводородов»

РУКОВОДИТЕЛЬ:

доцент, к.т.н.,

______________Землянский Е.О.

РАЗРАБОТЧИК:

студент группы ХТОбзу-14-1

_____________Плотникова Т.Н.

Тюмень, 2017

СОДЕРЖАНИЕ

ВВЕДЕНИЕ…………………………………………………………………….

3

1 Технологическая часть………………………………………………...……

4

2 Описание АСУТП и КИП установки ГФУ………………………………...

13

3 Альтернативные контрольно-измерительные приборы и автоматизация этан-пропановой колонны К-6..……………………………………………...

19

ЗАКЛЮЧЕНИЕ……………………………………………………………….

25

СПИСОК ИСПОЛЬЗОВАННЫХ ИСТОЧНИКОВ…………………………

26


ВВЕДЕНИЕ

Основными показателями работы ГФУ являются четкость разделения сырья на составляющие компоненты и концентрация целевых компонентов во фракциях. Качество их должно удовлетворять требованиям технических условий и стандартам. Исходя из утвержденного технологического регламента для каждой установки разрабатывается своя технологическая карта, в которой указывают: оптимальный режим работы всего оборудования – пределы изменений основных параметров процесса – давление в колоннах и емкостях орошения, температура верха и низа (на контрольной тарелке) колонн, расход сырья, расход орошения, уровни в кипятильниках, емкостях орошения и химический состав получаемых продуктов.[pic 1][pic 2][pic 3]

Четкость ректификации и устойчивость технологического режима в колоннах, а вместе с тем и качество получаемой на ГФУ продукции зависит в основном от надежной работы контрольно-измерительных приборов и автоматических регуляторов расхода, давления, уровня, температуры, анализаторов качества и от опытности обслуживающего персонала.

Целью данной работы является изучение установки газофракционирования широкой фракции легких углеводородов с целью его последующей автоматизации.


1 Технологическая часть

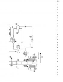
Принципиальная схема установки газофракционирования ШФЛУ

Разделение исходного сырья на фракции  индивидуальных углеводородов производится в следующей последовательности:

–        выделение этан-пропановой фракции (К-1-1,2);

–        выделение изобутан-бутановой фракции (К-2);

–        разделение изобутан-бутановой фракции (К-3);

–        выделение изопентан-пентановой фракции (К-4);

–        разделение изопентан-пентановой фракции (К-5);

–        разделение этан-пропановой фракции (К-6).

Технологическая схема представлена на рисунке 1.1.

Выделение этан-пропановой фракции

Выделение этан-пропановой фракции осуществляется на двух параллельно работающих колоннах К-1-1 и К-1-2.

Режим работы колонны К -1-1,2:

- температура верха 54 °С;

- температура питания 69 °С;

- температура куба 128 °С;

- давление верха 1,85 МПа (18,5 кгс/см2);

- давление куба 1,90 МПа (19,0 кгс/см2);

- флегмовое число         1,5 - 2,8;

- сырье подается на 53 тарелку.

Пары этан-пропановой фракции, уходящие с верха колонны К-1-1, поступают в четыре параллельно работающих воздушных конденсатора Т-2- 1÷4, где частично конденсируются.

...

Скачать:   txt (50.7 Kb)   pdf (490.8 Kb)   docx (672.5 Kb)  
Продолжить читать еще 14 страниц(ы) »
Доступно только на Essays.club