Essays.club - Получите бесплатные рефераты, курсовые работы и научные статьи
Поиск

Проектирование процессорного модуля

Автор:   •  Май 16, 2019  •  Курсовая работа  •  10,320 Слов (42 Страниц)  •  615 Просмотры

Страница 1 из 42

Харьковский национальный университет радиоэлектроники

(полное название высшего ученого заведения)

Кафедра «Электронных вычислительных машин»

(полное название кафедры)

КУРСОВОЙ ПРОЕКТ

(РАБОТА)

по курсу:

Компьютерная схемотехника

(название дисциплины)

на тему:

Проектирование процессорного модуля

Студента (ки)

3-го

курса

КИ-14-4

группы

направления подготовки

Компьютерная инженерия

специальности

КИ

Костюк С.А.

(фамилия и инициалы)

Руководитель

Старший преподаватель

Дяченко В.А.

(должность, ученое звание, научная степень, фамилия и инициалы)

    Национальная шкала

Количество балов:

Оценка: ECTS

г. Харьков – 2016 год


РЕФЕРАТ[pic 1]

Пояснительная записка к курсовой работе содержит:  страницы, 15 рисунков, 4 раздела, 4 приложения, 6 источников.

Данная курсовая работа посвящена проектированию, синтезу и верификации цифрового арифметико-логического устройства, реализующего заданный набор операций над двоичными числами.

Целью данной работы является закрепление знаний и умений проектирования процессорных модулей на основе принципа микропрограммного управления, создание моделей цифровых устройств на языках описания аппаратуры, обобщение и углубление знаний по дисциплинам, связанным с проектированием средств вычислительной техники и реализации арифметических операций в ЭВМ.

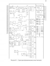
Результатом выполнения курсового проектирования является верифицированная модель арифметико-логического устройства на языке описания аппаратуры VHDL, структурно-функциональная схема итогового устройства, а также другая дополнительная информация, необходимая для реализации АЛУ.

Операции, выполняемые АЛУ, соответствуют заданному варианту: деление целых двоичных знаковых чисел методом без восстановления остатка и умножение целых двоичных знаковых чисел.

АРИФМЕТИКО-ЛОГИЧЕСКОЕ УСТРОЙСТВО, ПРОЦЕССОРНЫЙ МОДУЛЬ, УПРАВЛЯЮЩИЙ АВТОМАТ, ОПЕРАЦИОННЫЙ АВТОМАТ,  I-АВТОМАТ, P-АВТОМАТ, ПРОГРАММИРУЕМЫЙ АВТОМАТ, МИКРОПРОГРАММНОЕ УПРАВЛЕНИЕ, АРИФМЕТИЧЕСКАЯ ОПЕРАЦИЯ.


СОДЕРЖАНИЕ[pic 2][pic 3]

КУРСОВОЙ ПРОЕКТ        1

ВВЕДЕНИЕ        4

1 АНАЛИЗ ПРЕДМЕТНОЙ ОБЛАСТИ И ПОСТАНОВКА ЗАДАЧИ        5

1.1 Общая характеристика арифметико-логических устройств, представление информации в цифровых ЭВМ        5

1.2 Анализ используемых алгоритмов        6

1.3 Принцип микропрограммного управления        7

1.4 Постановка задачи        8

2 ПРОЕКТИРОВАНИЕ ОПЕРАЦИОННОГО АВТОМАТА        9

2.1 Общие сведения функционирования операционного автомата        9

2.2 Структурная организация I-автоматов        10

2.3 Проектирование I-автомата        11

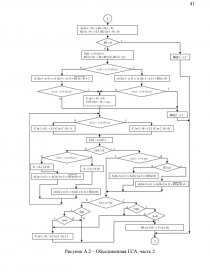
3 ПРОЕКТИРОВАНИЕ УПРАВЛЯЮЩЕГО АВТОМАТА        15

3.1 Описание управляющих автоматов с программируемой логикой        15

3.2 Описание P-автоматов с естественной адресацией        18

3.3 Проектирование P-автомата с естественной адресацией        20

4 МОДЕЛИРОВАНИЕ И АНАЛИЗ РЕЗУЛЬТАТОВ СИНТЕЗА        27

ВЫВОДЫ        29

СПИСОК ИСПОЛЬЗОВАННЫХ ИСТОЧНИКОВ        30

ПРИЛОЖЕНИЕ А        31

ПРИЛОЖЕНИЕ Б        32

ПРИЛОЖЕНИЕ В        34

ПРИЛОЖЕНИЕ Г        37


ВВЕДЕНИЕ

Современные электронно-вычислительные машины на данный момент представлены в самых разнообразных формах. Это и производительные серверы, позволяющие хранить и обрабатывать огромные массивы данных. И мобильные компьютеры, важнейшим фактором для которых является время автономной работы. И рабочие станции, позволяющие выполнять множество операций с мультимедиа и текстовыми данными, решать задачи разработки, исследований и симуляции различных систем и процессов. И встраиваемые системы, которые предназначены для решения специализированных задач с максимальной эффективностью в режиме 24/7.

...

Скачать:   txt (78.2 Kb)   pdf (1.2 Mb)   docx (1.1 Mb)  
Продолжить читать еще 41 страниц(ы) »
Доступно только на Essays.club