Essays.club - Получите бесплатные рефераты, курсовые работы и научные статьи
Поиск

Устройство измерения и управления

Автор:   •  Январь 2, 2023  •  Курсовая работа  •  3,911 Слов (16 Страниц)  •  324 Просмотры

Страница 1 из 16

[pic 1]

[pic 2]


Объём работы по курсу

1. Расчётная часть

Разработать структурную, функциональную и принципиальную схемы устройства, максимально используя интегральные микросхемы, привести краткие технические параметры используемых микросхем, рассчитать все навесные компоненты, описать работу устройства по функциональной и принципиальной схемам с привлечением временных диаграмм, выполнить электронное моделирование устройства (входной усилитель, компараторы уровней, часть выходных цепей по согласованию с руководителем) и привести результаты, определив при этом параметры смоделированной части.

2. Графическая часть

Схема электрическая структурная – 1 лист формата А3 (297х420 мм2)

Схема электрическая функциональная – 1 лист формата А3 (297х420 мм2) Схема электрическая принципиальная – (1-2) формата А2 (420х594 мм2)

3. Экспериментальная часть

Электронное моделирование блока

Срок выполнения проекта по разделам

Согласно графику выполнения проекта, представленного в методических указаниях к курсовому проекту

                                                        Дата выдачи задания

                                                        Дата защиты проекта

Руководитель                                                            

Задание получил                                                        

Студент

Реферат

Пояснительная записка 30 с., 17 рис., 5 источн., 4 прил.

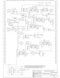
МИКРОСХЕМА SS49E, УСИЛИТЕЛЬ, РЕЛЕ, СВЕТОДИОД, ПРЕОДОЛЕНИЕ ПОРОГОВ, ДИНАМИК, СТРУКТУРНАЯ СХЕМА УСТРОЙСТВА, ФУНКЦИОНАЛЬНАЯ СХЕМА УСТРОЙСТВА, ПРИНЦИПИАЛЬНАЯ СХЕМА УСТРОЙСТВА.

Цель курсового проекта - закрепление знаний и приобретение практических навыков в расчёте и использовании основных типов аналоговых и цифровых элементов и узлов (блоков), в проектировании электронных устройств различного назначения с использованием микросхем малой и средней степени интеграции.

В ходе работы были использованы расчеты, подбор приближенных значений рассчитанных элементов.

В результате работы было разработано устройство предварительной обработки аналогового сигнала, спроектированы структурная, функциональная и принципиальная схемы. Также были закреплены знания и приобретены практические навыки в расчете и использовании основных типов аналоговых и цифровых элементов и узлов, в проектировании электронных устройств различного назначения с использованием микросхем малой и средней степени интеграции.

Содержание

Введение        6

1.        Разработка функциональной схемы устройства        9

1.1.        Описание работы устройства по временным диаграммам        9

1.2.        Разработка функциональных схем блоков управления        11

1.2.1.        Блоки управления светодиодами        11

1.2.2.        Блоки управления реле        12

1.2.3.        Блок управления динамиком        13

1.2.4.        Описание работы устройства по функциональной схеме        14

2.        Разработка принципиальной схемы устройства.        15

2.1.        Расчёт усилителя        15

2.2.        Расчёт схем формирования порогов        20

2.3.        Расчёт схем управления светодиодами        23

2.4.        Расчёт схем управления реле.        24

2.5.        Расчёт схем управления динамиком        26

2.6.        Расчёт схем управления светодиодами        27

2.7.        Расчет одновибраторов        28

2.8.        Описание работы устройства по принципиальной схеме.        29

Заключение        31

Список использованных источников        32

Приложение А        33

...

Скачать:   txt (44.7 Kb)   pdf (1.1 Mb)   docx (1.4 Mb)  
Продолжить читать еще 15 страниц(ы) »
Доступно только на Essays.club