Essays.club - Получите бесплатные рефераты, курсовые работы и научные статьи
Поиск

Инженерные системы здания

Автор:   •  Сентябрь 30, 2018  •  Доклад  •  357 Слов (2 Страниц)  •  664 Просмотры

Страница 1 из 2

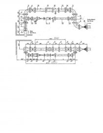
№ участка

                                       Наименование

[pic 1]

hм (ст)

1-2

- смеситель

- уголок

9,5

2

0,8

2-3

- тройник с равными [pic 2]

1,8

0,30

3-4

- тройник с равными  [pic 3]

1,8

0,36

4-5

- тройник с равными  [pic 4]

- уголок (3 шт)

-счетчик

-вентиль

1,8

6

10

9,5

6,98

5-6

- уголок

- муфта с перех   (2 разм)[pic 5]

2

0,5

0,64

6-7

- тройник с перех [pic 6]

3,6

0,05

7-8

- тройник с перех  [pic 7]

3,6

0,08

8-9

- тройник с перех  [pic 8]

3,6

0,11

9-10

- тройник с перех  [pic 9]

3,6

0,14

10-11

- тройник с перех  [pic 10]

3,6

0,18

11-12

  • уголок
  • тройник с перех [pic 11]

2

3,6

0,33

12-13

- уголок

- муфта (3 разм)

2

0,6

0,02

13-14

- тройник с перех  [pic 12]

3,6

0,05

14-15

- тройник с перех [pic 13]

3,6

0,06

15-16

- кран

- тройник с перех [pic 14]

5,7

3,6

0,17

№ участка

                                       Наименование

[pic 15]

hм (ст)

16-17

- кран

- тройник с перех [pic 16]

5,7

3,6

0,18

17-18

- тройник с перех [pic 17]

3,6

0,09

18-19

- тройник с перех [pic 18]

3,6

0,11

19-20

- тройник с перех [pic 19]

3,6

0,12

20-21

- тройник с перех [pic 20]

3,6

0,14

∑hм=10,91

Суммарные потери напора:

∑h=hвв+hвод+∑hl+∑hm=27,4+19,89+8,2+10,91=66,4

...

Скачать:   txt (4.1 Kb)   pdf (422.4 Kb)   docx (79.4 Kb)  
Продолжить читать еще 1 страницу »
Доступно только на Essays.club