Essays.club - Получите бесплатные рефераты, курсовые работы и научные статьи
Поиск

Электроснабжение сельского населённого пункта

Автор:   •  Апрель 27, 2019  •  Курсовая работа  •  2,982 Слов (12 Страниц)  •  633 Просмотры

Страница 1 из 12

                                           Содержание  

   Введение…………………………………………………………………………

1.Исходные данные и выбор объекта автоматизации………………………….

2.Технологическая характеристика объекта автоматизации…………………..

3.Выбор технических средств автоматизации….................................................

4.Разработка функциональной технологической схемы автоматизации……..

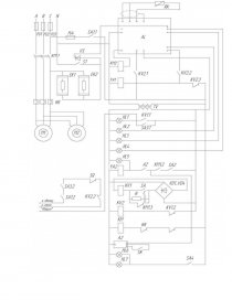
5.Разработка электрической принципиальной схемы автоматизации………..

6.Разработка щита управления…………………………………………………..

7.Определение основных показателей надежности автоматизации…………..

8.Расчет экономической эффективности автоматизации………………………

   Заключение……………………………………………………………………...

   Список литературы………………………………………………………

ВВЕДЕНИЕ

Автоматизация технологических процессов – это высокий уровень комплексной автоматизации и электрификации сельскохозяйственного производства, при котором человек оператор полностью или частично заменен специальными техническими средствами контроля.

Внедрение средств автоматизации стало возможным только после комплексной механизации и электрификации сельскохозяйственного производства в мире непрерывно идет научно – исследовательская работа по созданию для сельского хозяйства систем автоматики и приборов специфического назначения , внедрение которых даст значительный экономический  эффект, при которых большое значение имеют автоматические системы управления с управляемыми микро – ЭВМ. Последние позволяют управлять технологическими процессами и производством в целом в оптимальных режимах и значительно и значительно экономят затраты труда на единицу продукции. С помощью средств автоматизации сельскохозяйственного производства можно повысить надежность и продлить срок службы технологического оборудования, облегчить и оздоровить условия труда, повысить его безотказность .

Процесс вывода молодняка из яиц птицы в специальных аппаратах - инкубаторах называется искусственной инкубацией.

В современном птицеводстве распространена круглогодовая искусственная инкубация, она позволяет равномерно в течение года производить продукты птицеводства в хозяйствах и бесперебойно снабжать ими население.

Закладка яиц в современные инкубаторы производится крупными партиями. Наибольшее распространение в стране получили инкубаторы марки «Универсал-55», предназначенные для инкубации яиц всех видов птицы.

Технологический процесс инкубации состоит из ряда последовательно выполняемых операций: сбора и транспортировки инкубационных яиц; оценки и отбора яиц для инкубации; дезинфекции; инкубирования; переноса яиц из инкубационных в выводные шкафы; вывода молодняка; оценки качества суточного молодняка.

Целью курсового проекта является систематизация и закрепление знаний и умений по автоматизации процессов инкубации яиц, а также развитие творческой инициативы, самостоятельности, организованности и ответственности.

1.ИСХОДНЫЕ ДАННЫЕ И ВЫБОР ОБЪЕКТА АВТОМАТИЗАЦИИ

Исходными данными для курсового проекта является деятельность птицеводческой фермы «КФХ Сибирский Кролик», которая находится в с. Локти Мошковского района Новосибирской области, 25 км от Новосибирска. Работа в хозяйстве ведётся по племенному птицеводству, в основе – мясояичные породы кур. На ферме имеется 18 пород племенных кур,.

В 2018 году в данном хозяйстве было произведено 3млн. тонн пшеницы, 5 тыс. тонн овса , 4 тыс. тонн ячменя, и 3 тыс. тонны ржи . площадь сельскохозяйственных угодий составляет 300 тыс. га. Выведено в живом весе 15000 голов кур. Все хозяйство электрифицировано, установлены инкубаторы «Универсал -50» вместимостью 48000.  Электроэнергию получают со стороны Мошково ЗАО РЭС.  2017 году было израсходовано на производственные нужды 400000 кВт*ч.

...

Скачать:   txt (38 Kb)   pdf (645.1 Kb)   docx (920.6 Kb)  
Продолжить читать еще 11 страниц(ы) »
Доступно только на Essays.club