Essays.club - Получите бесплатные рефераты, курсовые работы и научные статьи
Поиск

Проектирование автоматического штампа

Автор:   •  Февраль 25, 2022  •  Курсовая работа  •  997 Слов (4 Страниц)  •  323 Просмотры

Страница 1 из 4

Министерство образования Республики Беларусь

УО «Витебский Государственный Технологический университет»

Кафедра ТиОМП

КУРСОВАЯ РАБОТА

по дисциплине

 «Обрабатывающий инструмент»

на тему

«Проектирование автоматического штампа»

Выполнил: ст. гр.                                                                        

Проверил: проф.                                                                             Клименков С.С

 Витебск 2017

ОГЛАВЛЕНИЕ

1 ВВЕДЕНИЕ………………………………………………………………………...3

2 Чертеж изделия…………………………………………………………………….4

3 Схема раскроя……………………………………………………………………...4

4 Расчет силовых параметров……………………………………………………….5

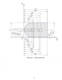
5 Определение центра давления…………………………………………………….6

6 Расчет исполнительных размеров матриц и пуансонов………………………...8

7 Посадки на сборочном чертеже…………………………………………………..9

8 Назначение отклонения формы и поверхностей………………………………...9

9 Заключение…………………………………………………….……………...…..10

10 Список использованной литературы………………………….………...……..11

ВВЕДЕНИЕ

Важнейшей составной частью подготовки специалистов машиностроительного профиля является проектирование и производство заготовок и обрабатывающего инструмента. В процессе изучения студенты должны ознакомиться с основными технологическими процессами формообразования заготовок; научиться анализировать процессы с технологической и экономической позиции; уметь выбрать оптимальный вариант; технологически грамотно выполнить чертеж заготовки; разработать технологический процесс ее производства; подобрать необходимое оборудование.

В данном курсовом проекте разработаны технологические процессы и инструмент для изготовления изделий из листового материала.

В частности: для листовой штамповки, которые в свою очередь являются  достаточно эффективными и распространёнными в отечественном машиностроении.

2 ЧЕРТЁЖ ИЗДЕЛИЯ

Для решения в курсовом проекте по дисциплине «Обрабатывающий инструмент» было выдано задание под вариантом 15, показанное на рисунке 1.

[pic 1]

Рисунок 1 – Задание для листовой штамповки (крышка)

3 СХЕМА РАСКРОЯ

Для оптимального использования полосового материала был выбран прямой тип раскроя.

Перемычки между заготовками и до краев ленты выбираются в соответствии с толщиной материала по таблице.

Величины перемычки между изделием и кромкой полосы будут равны б=3 мм, величины перемычки между изделиями будут равны б1=2,5 мм. Принимая во внимание то, что ширина изделия75 мм, расстояние до кромки полосы 2,5 мм. Получаем ширину полосы: B=75+3+3=81 мм.


4 РАСЧЕТ СИЛОВЫХ ПАРАМЕТРОВ

При вырубке на данном штампе совершается две силовые операции: вырубание по контуру и снятие полосы съёмником с пуансон-матрицы. Определим усилия для их выполнения.

Усилие для вырубки рассчитывается по формуле

[pic 2]

где:  L – периметр вырубаемого контура; S – толщина материала; [pic 3]–сопротивление срезу;

Подставляя значения получим:

- усилие вырубки наружного контура [pic 4]

- усилие вырубки  отверстия [pic 5]

- усилие надрезки язычка [pic 6]

Таким образам минимально необходимое усилие для получения детали будет равно:[pic 7]

Необходимое усилие пресса определяется из условия:

[pic 8]

где 1,25 – коэффициент, учитывающий затупление режущих кромок, неравномерность механических свойств и толщины материала и т. д.

...

Скачать:   txt (13 Kb)   pdf (791.5 Kb)   docx (1.2 Mb)  
Продолжить читать еще 3 страниц(ы) »
Доступно только на Essays.club