Essays.club - Получите бесплатные рефераты, курсовые работы и научные статьи
Поиск

Регистрлер

Автор:   •  Июнь 12, 2018  •  Реферат  •  3,502 Слов (15 Страниц)  •  1,925 Просмотры

Страница 1 из 15

Регистрлер

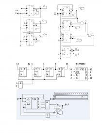
                Регистр – ЭЕМ функциясының түйіні, ақпараттың n разрядты сөзін жазу, сақтау және оқуға арналған. Регистрлер бір тактілі немесе екі тактілі екі сатылы триггерлерден құрылады. Қосымша регистрлер ақпаратты түрлі модификацияларда жылжытуға мүмкіндік береді.

                Сондай-ақ регистрлерде қосу, көбейту, екі модуль бойынша қосу сияқты логикалық операциялар орындап ақпаратты разрядтардың берілген санына жылжытуға болады.

Жіктелуі:

1. Жазу-оқу тәсілдері бойынша регистрлер мынадан түрлерге жіктеледі:

  а.тізбекті-тізбектей жазады және ақпаратты оқиды;

  ә.параллельді-параллельді жазу, ақпаратты параллель оқумен ерекшеленеді;

  б.тізбекті-параллельді тізбекті жазумен және параллель оқумен ерекшеленеді;

  в.параллель-тізбекті ақпаратты параллель жазумен және тізбектей оқумен ерекшеленеді;

  г.әмбебап-параллель және тізбекті жазумен және параллель және тізбектей оқумен   ерекшеленеді;

2. Келіп түсетін және жіберілетін ақпараттардың фазалығы бойынша:

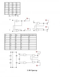
  а.бір фазалық – D триггерлерден;

  ә.жұпфазалық – RS және JK триггерлерінде;

  б.аралас.

3. Тактілеу тәсілі бойынша:

  а.бір тактілі – тактілік сигналдардың бір тізбегімен басқарылады;

  ә.көптактілік – тактілік сигналдардың бірнеше тізбегімен басқарылады.

[pic 1]

Санауыштар

Кіріске берілген импульстер санын есептеуге арналған кұрылғы санауыш деп аталады. Олар триггерлер тізбегінен тұрады. Санауыш разрядты есептей алатын максимал санмен анықталады. Ығыстыру регистрін сақиналы санауышқа айналдыруға болады, егер соңғы триггердің шығысын бірінші триггердің D кірісіне жалғаса. Осындай N разрядты сынауыш схемасы шығады.

Есептеуді бастамай тұрып санауыштың нөлдік разрядына бастапқы жағдайды орнату импульсімен лог.1, ал қалған разрядтарына – лог.0 жазылады. Есептеу басталғаннан бастап әрбір келген есептеу импульсі Т келесі триггерге 1 қайта жазады және келіп түскен импульстер саны оның шығыс нөмірімен анықталады. Соңғының алдындағы (N-1) импульс соңғы триггерді бір жағдайын көшіреді, ал N импульсі осы жағдайды соңғы триггер шығысына көшіреді, сосын есептеу қайтадан басталады. Сонымен кез – келген есептеу коэффицентімен анықталатын сақиналы санауыш жасауға болады. Бұл санауыш кемшілігі көп триггерлерді қажет етеді. Анағұрылым тілімді болып Т триггерлерінен жасалған санауыш болады.        

Коммутатор

Коммутатор (лат. commute – өзгертемін, ауыстырамын) – электрлік тізбекті жалғастыруға, ажыратуға және ауыстырып қосуға арналған электрмеханикалық, электронды немесе электронды-сәулелік қондырғы. К-дың қарапайым және аса күрделі түрлері бар. Коммутаторлар байланыс техникасында (оның ішінде әскери) абонент желілерін бір типті шеттік аппараттардан (телефон, телеграф, мәлімет беру және т.б) және ақпаратты беру мен қабылдау үшін кедергісіз жолдар жасау мақсатында байланыс арналарын бір-бірімен электрлік жалғастыруға арналған. Жалғастыру тәсілдеріне байланысты коммутаторлар қолмен жұмыс істейтін және автоматты қызмет көрсету болып бөлінеді. Қолмен қызмет көрсетуде коммутацияны оператор жүзеге асырады. Автоматты қызмет көрсетуде коммутация оператордың қатысынсыз шеттік аппараттардан келетін сигналдар бойынша орындалады. Жалғастыру тәсіліне қарай арналар коммутаторлары және байланыс коммутаторлары болып бөлінеді. Арналар коммуникациясында ақпаратты беру үшін тораптар желісі арқылы бір шеттік пунктті екіншісімен қосатын кедергісіз арналар ұйымдастырылады. Байланыс коммуникациясында берілуге тиісті ақпарат мекен-жайымен бірге сәйкес аппаратураға беріледі және есте сақтау қондырғысында сақталады. Сонан соң белгіленген пунктте аралық пунктердің қайта қабылдап-беруі арқылы беріледі. Коммутаторларды сондай-ақ абонент желілері мен арналарының санына қарай да айырады.

...

Скачать:   txt (43.6 Kb)   pdf (521.5 Kb)   docx (583.8 Kb)  
Продолжить читать еще 14 страниц(ы) »
Доступно только на Essays.club