Essays.club - Получите бесплатные рефераты, курсовые работы и научные статьи
Поиск

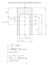
Расчеты на прочность и жесткость прямолинейной стальной балки при плоском изгибе

Автор:   •  Январь 21, 2022  •  Задача  •  583 Слов (3 Страниц)  •  594 Просмотры

Страница 1 из 3

Задача 3. Расчеты на прочность и жесткость прямолинейной стальной балки при плоском изгибе.

Дано:

M=32 кНм

P = 46 кНм

q = 19 кН/м

 [pic 1]

 [pic 2]

 [pic 3]

 [pic 4]

 [pic 5]

 [pic 6]

 [pic 7]

Серия№4

Решение

[pic 8]1.1 Для балок 1-4 строим эпюры поперечных сил и изгибающих моментов, возникающих в поперечных сечениях

Балка 1: 

Для вычисления реакции в заделке составим уравнения равновесия.

Заменяем заделку реакциями М0, Px и Py. Из схемы нагружения видно, что Px = 0, для М и Py составляем уравнения равновесия. Для консольной балки реакции опоры определяются однозначно:

 [pic 9]

[pic 10]

[pic 11]

[pic 12]

 [pic 13]

[pic 14]

[pic 15]

[pic 16]

Проверка :[pic 17]

[pic 18]

Определим Q и M на каждом участке:

1) [pic 19]

[pic 20]

 [pic 21]

[pic 22]

[pic 23]

[pic 24]

[pic 25]

2) [pic 26]

[pic 27]

[pic 28]

[pic 29]

[pic 30]

[pic 31]

[pic 32]

3) [pic 33]

[pic 34]

[pic 35]

[pic 36]

[pic 37]

[pic 38]

[pic 39]

4) [pic 40]

[pic 41]

[pic 42]

[pic 43]

[pic 44]

[pic 45]

[pic 46]

[pic 47]На основе полученных данных построим эпюры поперечных сил и изгибающих моментов:


[pic 48]Балка 2: 

Для вычисления реакции опор составим уравнения равновесия:

  [pic 49]

[pic 50]

[pic 51]

[pic 52]

 [pic 53]

[pic 54]

[pic 55]

[pic 56]

Проверка :[pic 57]

.[pic 58]

Определим Q и M на каждом участке:

1) [pic 59]

[pic 60]

 [pic 61]

[pic 62]

[pic 63]

[pic 64]

[pic 65]

2) [pic 66]

[pic 67]

[pic 68]

[pic 69]

[pic 70]

[pic 71]

[pic 72]

3) [pic 73]

[pic 74]

[pic 75]

[pic 76]

[pic 77]

[pic 78]

[pic 79]

[pic 80]

[pic 81]

На основе полученных данных построим эпюры поперечных сил и изгибающих моментов:

[pic 82]

Балка 3

[pic 83]Для вычисления реакции опор составим уравнения равновесия:

  [pic 84]

[pic 85]

[pic 86]

[pic 87]

 [pic 88]

[pic 89]

[pic 90]

[pic 91]

Проверка :[pic 92]

[pic 93]

Определим Q и M на каждом участке:

1) [pic 94]

[pic 95]

 [pic 96]

[pic 97]

[pic 98]

[pic 99]

[pic 100]

2) [pic 101]

[pic 102]

[pic 103]

[pic 104]

[pic 105]

[pic 106]

[pic 107]

3) [pic 108]

[pic 109]

[pic 110]

[pic 111]

[pic 112]

[pic 113]

[pic 114]

4) [pic 115]

[pic 116]

[pic 117]

[pic 118]

[pic 119]

[pic 120]

[pic 121]

На основе полученных данных построим эпюры поперечных сил и изгибающих моментов:


[pic 122]

[pic 123]4 балка:


Для вычисления реакции опор составим уравнения равновесия:

 [pic 124]

[pic 125]

[pic 126]

Определим Q и M на каждом участке:

1) [pic 127]

[pic 128]

 [pic 129]

[pic 130]

[pic 131]

[pic 132]

[pic 133]

2) [pic 134]

[pic 135]

  [pic 136]

 [pic 137]

[pic 138]

[pic 139]

[pic 140]

3) [pic 141]

[pic 142]

 [pic 143]

 [pic 144]

[pic 145]

[pic 146]

[pic 147]

[pic 148]На основе полученных данных построим эпюры поперечных сил и изгибающих моментов:


1.2 Для балки 5 по заданной эпюре изгибающих моментов, используя дифференциальные зависимости между силовыми факторами, строим эпюру поперечных сил и устанавливаем характер и величины нагрузок, приложенных к балке (M, P, q).

[pic 149]

[pic 150]

[pic 151]

Рассмотрим каждый участок:

1) [pic 152]

[pic 153]

2) [pic 154]

[pic 155]

[pic 156]

[pic 157]

[pic 158]

[pic 159]

[pic 160]

[pic 161]

[pic 162]

[pic 163]

[pic 164]

[pic 165]

[pic 166]

[pic 167]

[pic 168]

[pic 169]

[pic 170]

[pic 171]

[pic 172]

[pic 173]

3) [pic 174]

[pic 175]

[pic 176]

[pic 177]

[pic 178]

[pic 179]

[pic 180]

[pic 181]

[pic 182]

Определим величины нагрузок, приложенных к балке (M, P, q), исходя из эпюры:

[pic 183]

[pic 184]

[pic 185]

[pic 186]

[pic 187]

[pic 188]На основе полученных данных построим эпюры поперечных сил и установим характер и величины нагрузок, приложенных к балке:

...

Скачать:   txt (7.5 Kb)   pdf (461.7 Kb)   docx (844.8 Kb)  
Продолжить читать еще 2 страниц(ы) »
Доступно только на Essays.club